

| 材質 | 鉄(または標準材)、ステンレス、黄銅(真鍮) |
|---|---|
| 表面処理 | 生地、三価クロメート、三価ブラック、ニッケル、黒亜鉛 |
| サイズ | M1.0~M2.6 |
| 規格 | - - - |
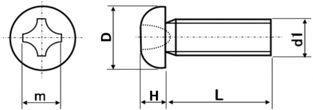
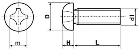
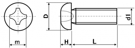
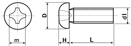
| 特長 | 日本写真機工業規格(JCIS)「精密機器用十字穴付き小ねじ」が元となっているねじです。マイクロねじやなべ小ねじ0番と呼ばれる他、0番小ねじ、精密ねじ、カメラネジ、眼鏡ビスなどの名称があります。その名の通りデジカメやメガネ、スマホなどの精密機器で使用されています。 「0番」は十字穴リセスが#0の+ドライバーで廻すJIS規格「#0(ゼロ番)」であることを示しています。そして「1種」は頭部の大きさを表しています。なべ小ねじ0番には「1種」、「2種」、「3種」があり数字が小さいほど低く小さくなり、最も小さい1種はJISなべ頭と比較して頭部がおよそ50%低く、頭部外径も一回り小さくなります。ねじピッチはメートル並目です。必要な場合は同径のナット、ワッシャーと組み合わせます。 マイクロねじは精密性の必要な所、狭い所などに使用され、小型高密度化や軽量化の要求に応えます。 ねじコンシェルではなべ頭のほか、皿頭、ラミクス®、タッピングなど様々な必要に応える0番小ねじをそろえています。 お得な袋入りもございます。 |
|---|