3月1日より高強度ステンレスシリーズの割引キャンペーンを実施します!                                    ★★ ねじコンシェル.comは全品 税込 価格です ★★                                    リクエスト商品も受付中です。お気軽にご相談ください。                                    取扱い商品、ドンドン拡充中です。                                    

商品名/型番検索

ショッピングカート

0点の商品が入っています。

合計 0円(税込)

取り扱い商品一覧

小ねじ・マイクロねじ

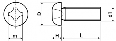
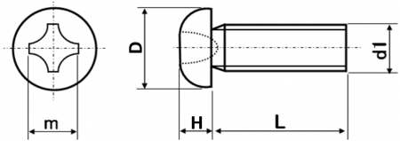
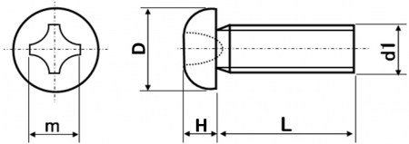
(+)なべ小ねじ 0番1種

材質 鉄(または標準材)、ステンレス、黄銅(真鍮)
表面処理 生地、三価クロメート、三価ブラック、ニッケル、黒亜鉛
サイズ M1.0~M2.6
規格 -
-
-
特長 日本写真機工業規格(JCIS)「精密機器用十字穴付き小ねじ」が元となっているねじです。マイクロねじやなべ小ねじ0番と呼ばれる他、0番小ねじ、精密ねじ、カメラネジ、眼鏡ビスなどの名称があります。その名の通りデジカメやメガネ、スマホなどの精密機器で使用されています。
「0番」は十字穴リセスが#0の+ドライバーで廻すJIS規格「#0(ゼロ番)」であることを示しています。そして「1種」は頭部の大きさを表しています。なべ小ねじ0番には「1種」、「2種」、「3種」があり数字が小さいほど低く小さくなり、最も小さい1種はJISなべ頭と比較して頭部がおよそ50%低く、頭部外径も一回り小さくなります。ねじピッチはメートル並目です。必要な場合は同径のナット、ワッシャーと組み合わせます。
マイクロねじは精密性の必要な所、狭い所などに使用され、小型高密度化や軽量化の要求に応えます。
ねじコンシェルではなべ頭のほか、皿頭、ラミクス®、タッピングなど様々な必要に応える0番小ねじをそろえています。

お得な袋入りもございます。

・全国一律送料880円(税込)
※ただし一部寸切商品は1,320円(税込)
・11,000円(税込)以上で送料無料!
※返品について
お客様都合での返品は承りかねます。
返品に関してはこちらよりご確認ください。

・本サイトでの最低取引価格は「税込550円~」となります。
なお、「税込550円未満のご注文」に関しては、
「税込550円」として処理させていただきます。
・問合せ商品は、後日当社からご連絡します。
・小数点以下切り上げです。
※箱単価=1本当たりの価格です。

サイズ 材質 表面処理 D(基準) H(基準) m(参考) - - - - 箱単価 入数 ばら
売り
ばら
単価
税抜
価格
発送目安 数量
(個)
価格
M2.5×6 鉄(または標準材) 三価ブラック 3.8 0.9 2.2 2.12 5000 × - 1営業日 0
M2.5×8 鉄(または標準材) 三価ブラック 3.8 0.9 2.2 2.12 5000 × - 1営業日 0
M2.6×2.5 鉄(または標準材) 三価ブラック 4 0.8 2.2 2.22 5000 × - 1営業日 0
M2.6×3 鉄(または標準材) 三価ブラック 4 0.8 2.2 2.09 5000 × - 1営業日 0
M2.6×4 鉄(または標準材) 三価ブラック 4 0.8 2.2 2.03 5000 × - 1営業日 0
M2.6×5 鉄(または標準材) 三価ブラック 4 0.8 2.2 2.12 5000 × - 1営業日 0
M2.6×6 鉄(または標準材) 三価ブラック 4 0.8 2.2 2.12 5000 × - 1営業日 0
M2.6×8 鉄(または標準材) 三価ブラック 4 0.8 2.2 2.12 5000 × - 1営業日 0
サイズ 材質 表面処理 D(基準) H(基準) m(参考) - - - - 箱単価 入数 ばら
売り
ばら
単価
税抜
価格
発送目安 数量
(個)
価格
M2.6×9 鉄(または標準材) 三価ブラック 4 0.8 2.2 2.34 5000 × - 1営業日 0
M2.6×10 鉄(または標準材) 三価ブラック 4 0.8 2.2 2.34 5000 × - 1営業日 0
M1.0×2 鉄(または標準材) ニッケル 1.8 0.5 1.3 1.52 10000 × - 1営業日 0
M1.0×2.5 鉄(または標準材) ニッケル 1.8 0.5 1.3 1.52 10000 × - 1営業日 0
M1.0×3 鉄(または標準材) ニッケル 1.8 0.5 1.3 1.52 10000 × - 問合せ 0
M1.0×4 鉄(または標準材) ニッケル 1.8 0.5 1.3 1.52 10000 × - 1営業日 0
M1.0×5 鉄(または標準材) ニッケル 1.8 0.5 1.3 1.52 10000 × - 1営業日 0
M1.0×6 鉄(または標準材) ニッケル 1.8 0.5 1.3 3.04 10000 × - 1営業日 0
サイズ 材質 表面処理 D(基準) H(基準) m(参考) - - - - 箱単価 入数 ばら
売り
ばら
単価
税抜
価格
発送目安 数量
(個)
価格
M1.2×2 鉄(または標準材) ニッケル 1.8 0.5 1.3 1.35 10000 × - 1営業日 0
M1.2×3 鉄(または標準材) ニッケル 1.8 0.5 1.3 1.35 10000 × - 1営業日 0
M1.2×4 鉄(または標準材) ニッケル 1.8 0.5 1.3 1.35 10000 × - 1営業日 0
M1.2×5 鉄(または標準材) ニッケル 1.8 0.5 1.3 1.35 10000 × - 1営業日 0
M1.4×1.4 鉄(または標準材) ニッケル 2 0.5 1.55 1.38 10000 × - 問合せ 0
M1.4×1.6 鉄(または標準材) ニッケル 2 0.5 1.55 1.38 10000 × - 1営業日 0
M1.4×2.5 鉄(または標準材) ニッケル 2 0.5 1.55 1.13 10000 × - 1営業日 0
M1.4×3 鉄(または標準材) ニッケル 2 0.5 1.55 1.13 10000 × - 問合せ 0

この商品を購入した方におすすめ

・全国一律送料880円(税込)
※ただし一部寸切商品は1,320円(税込)
・11,000円(税込)以上で送料無料!
※返品について
商品到着後、5日以内に着払いでご返品ください。

・本サイトでの最低取引価格は「税込550円~」となります。
なお、「税込550円未満のご注文」に関しては、
「税込550円」として処理させていただきます。
・お問合せ商品は、後日当社からご連絡します。
・小数点以下切り上げです。
※箱単価=1本当たりの価格です。

▲ページのトップに戻る