

| 材質 | 鉄(または標準材)、ステンレス |
|---|---|
| 表面処理 | 生地、ユニクロ、三価クロメート、三価ブラック |
| サイズ | 2~6 |
| 規格 | - JIS B 1122 - |
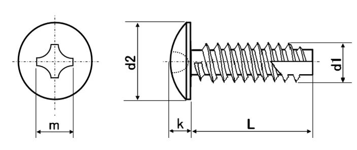
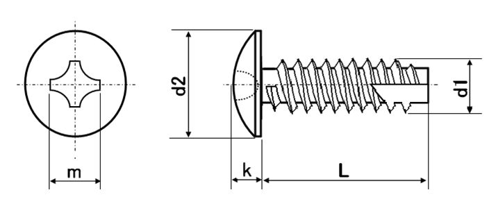
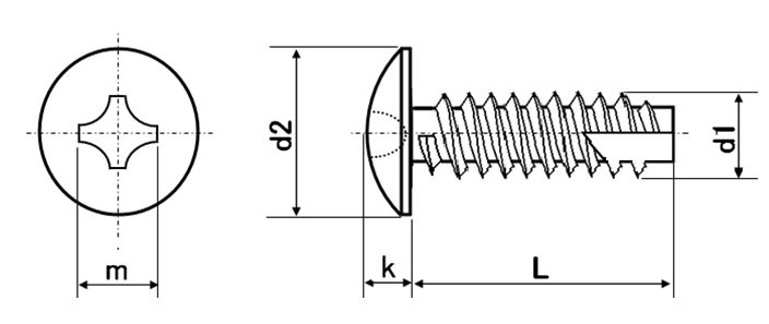
| 特長 | B1トラスタッピンやB1トラスと呼ばれる、相手材の下穴へねじ山をセルフタップタッピングする為、ナットやめねじ立ては不要なタッピングねじ(タッピンねじ)です。トラス頭は頭部形状が凸レンズの様で接地面はフラットです。着座面積が大きく面圧を下げるので平ワッシャー無しでもワークの陥没を抑えることが出来、緩みに強くなります。 タッピンねじは主に3種類(1種・2種・3種)が流通しています。1種(A型)は1.2舒焚爾稜鋼板・木材・ハードボード・樹脂等に、2種(B1/B0)は軸先端部の2〜2.5ピッチ分がテーパー(先細り)になっており、主に薄鋼板及び厚板(5舒焚次法樹脂・硬質ゴムに適します。3種(C1/C0)はピッチが一番細かいメートル並目で5舒幣紊慮板にも対応します。またB1/C1型は先端部分の1/4周をカットした「刃」を持っているので相手材に切削加工でタップ立てするので構造用鋼や鋳物にも対応でき、ねじ込み抵抗は塑性変形のみでねじ立てするカットの無い(B0/C0)型より小さくなります。 ※取付け時には下穴加工が必要です。 |
|---|