


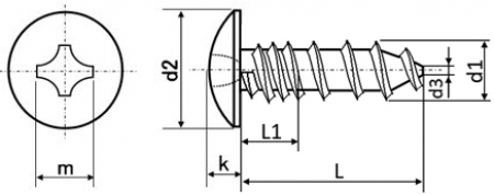
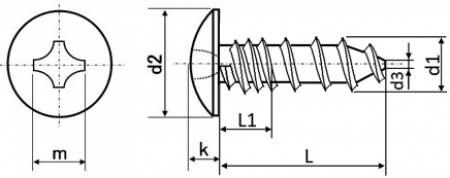
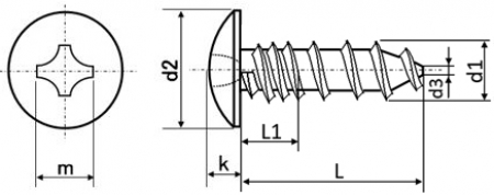
| 材質 | 鉄(または標準材) |
|---|---|
| 表面処理 | 三価クロメート |
| サイズ | 4~4 |
| 規格 | - - - |
| 特長 | 厚さ0.3弌0.8伉度の薄鋼板接合用のタッピンねじです。タップ加工(めねじ加工)やナット無しで薄鋼板の下穴(パンチ穴)にセルフタッピングしてねじ締結出来、空転や緩みが課題となる厚さ0.3个稜鋼板でもバーリング加工なしで強力に締結するので加工工程・作業時間を短縮しコストを削減します。 先端部に45°のテーパーのガイド分を設けているので下穴への挿入が容易です。また、山角50°のねじ山が相手材をしっかり保持する広い谷部を確保します。先端は二条ねじ、首下直下は四条ねじとしています。先端部分を二条ねじとすることで軸アライメントが向上し垂直に安定してねじ込め、リードが大きく作業時間を従来の2分の1に短縮します。首下四条ねじ部は薄板と螺旋ねじ山が4点で接触し高い破断(空転)トルクと戻しトルクが得られ、ねじの空転を防ぎ高い緩み止め効果を発揮します。(破断トルク)/(ねじ込みトルク)が大きくトルク設定がしやすい為、ねじ締めの自動化の際の薄板部品の損傷を防ぎ歩留まりを向上させます。 THINCAのパンフレットはこちら シンカは(株)ヤマシナの登録商標です。 |
|---|