


| 材質 | BUMAX 12.9 |
|---|---|
| 表面処理 | 生地 |
| サイズ | M6~M16 |
| 規格 | - - - |
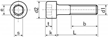
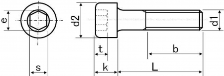
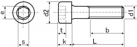
| 特長 | ステンレス製六角穴付ボルトでありながら鋼製品と同等強度10.9のBUMAX109は、オーステナイト系ステンレス鋼SUS316Lのモディファイ材(316L HiMo)を使用。一般的なステンレスボルト材SUS304(A2-50)の4倍、SUS316(A4-70)の2倍の強度(2%耐力で比較)です。また、耐熱(大気中最高使用温度600℃保証)、耐食性(海中に露出する環境下で30年の耐食性保証)にも優れ、非磁性(透磁率1.006から1.007)、耐焼付き性(摩擦係数はSUS316の半分以下)も兼ね備えています。 また、高強度12.9を誇るBUMAX129は、PER値(耐孔食指数)34以上のフェライト・オーステナイト系ステンレス鋼(二相ステンレス鋼SUS329J3L相当材)を使用。高強度かつ高耐食が特徴で、さらに耐応力腐食割れ性にも優れています。二相ステンレス鋼の特徴(フェライト相の素地にオーステライト相がほぼ1:1で島状に混合する金属組織)により、BUMAX129には磁性が有り、耐熱温度は300℃です。 一般的なステンレスキャップボルトでの締結をBUMAXボルトに置き換えると、強度を落とさずボルト径を下げることが出来、機器のコンパクト化や軽量化が図れます。 ※全ねじ・半ねじは規格に準じます。 |
|---|