


| 材質 | ステンレス |
|---|---|
| 表面処理 | 生地 |
| サイズ | #1~3/8 |
| 規格 | - - - |
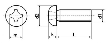
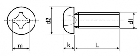
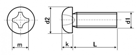
| 特長 | 料理鍋をひっくり返したような頭部形状に因み英語でpan(パン 鍋) head screw、日本語でもなべ小ねじ、なべビス、と呼びます。ナットと組み合わせて、あるいは相手材にタップしためねじを利用して締結します。一般的な締結で最も広く用いられている形状のねじです。 ユニファイはANSI(アンシー 米国国家規格協会)規格、ねじ径や長さをインチで規定するインチねじです。ねじピッチは1インチ(=25.4mm)当たりの山数で表し、ねじ山の実数ではありません。ねじ山の角度は60°です。呼び径は細い物は「番手」で#2(にばん)などと呼び、太いものは一インチを8で割った分数の分子の数で1/4(=2/8 二分 にぶ)の様に呼びます。本品は並目です。細目(UNF)のご用意もあります。ユニファイを採用している地域は北米と英国ですが他の場所でも使用例があります。車、バイク、パソコン、オーディオ、家具等多くの製品に採用されています。 本品はステンレス製です。高速で締め付けると焼き付き(かじり)易い為、電動工具やエアー工具をご使用の際には締付速度にご注意ください。 ユニファイ規格のサイズについてはこちらをご参照下さい。 |
|---|