

| 材質 | 鉄(または標準材)、SUS410 |
|---|---|
| 表面処理 | 生地、ユニクロ |
| サイズ | 3.5~5 |
| 規格 | - - - |
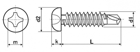
| 特長 | 高品質を誇るミヤガワブランド製品です。 FRXシリーズのドリルねじは下穴無しで板厚12mmの鉄板への打ち込みも可能なMRXドリルねじの抜群の切れ味を引き継ぎつつも低コストを実現しており、一般建築用として広く用いられています。こちらはなべ頭ですが、薄板に適する細目や高トルクで締結できるHEX(六角頭)、サイディング用にシンワッシャーなど目的に応じてお選びいただけます。 一般にドリルネジ(セルフドリリングスクリューとも)は部材を鋼板等に止める締結部品として建設や金属製品の組立等に使用します。タッピンねじの先端部をドリル刃とし、下穴あけ・タップ立て(めねじ加工)・締結をねじ一本で行える利便性を持ち、下穴加工・めねじ立ての工程を省けドリル・タップ等の工具が不要でコスト削減に貢献します。 サイズは「呼び径(d1)×呼び長さ(L)」で呼び長さに頭部の厚みは含みません。 適用最大板厚は呼び径3.5では2.3弌4は3.2(4×10は2.3)、5は4.0个任后 長さは【接合材料の厚み+ドリル部+5〜10mm】を目安に出来ます。 |
|---|