

| 材質 | 鉄(または標準材)、ステンレス |
|---|---|
| 表面処理 | 生地、三価クロメート、三価ブラック |
| サイズ | M3~M10 |
| 規格 | - JIS B 1187 - |
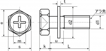
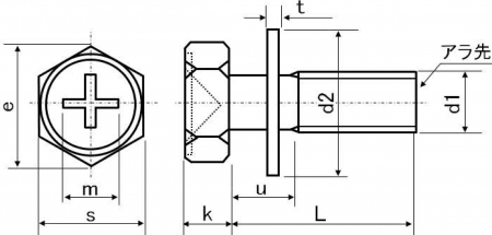
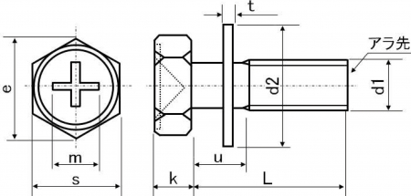
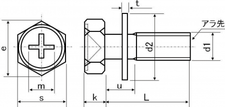
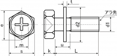
| 特長 | 六角アプセットボルトに緩み止め、陥没防止の平座金(JIS規格)を組み込んでいます。ねじの製造過程で座金は組み込まれており、脱落せず、組込みの手間がないので作業時間の短縮に効果があります。 六角アプセットボルトの頭部は上面が少し凹んだ丸みのある六角柱で中央には十字溝があります。そのためボックスレンチ、スパナ、+ドライバー等、様々な工具で締め付け出来、複数の人が扱う場所や頻繁に付け外しが必要な個所でとても便利です。また比較的柔らかい印象の外観なので装飾目的に使用されることもあります。 「セムス(SEMS)」の名称は1930年代に座金組込ねじを開発、特許を取得した米国イリノイツールワーク社が与えました。日本での流通初期に、ねじとばね座金(SW)の2つの部品(2ピースPiece)でできたセムスを[P=2]、ねじとSW、平座金の3ピースの物は[P=3]と呼びました。その後、本品のような平座金だけを[P=1]、座金がISO規格のときは[P]ではなく[I]を用いる、などアルファベットと数字の組み合わせで呼び分ける事が習慣化しました。 →平座金の規格一覧はこちら |
|---|