

| 材質 | 鉄(または標準材) |
|---|---|
| 表面処理 | ニッケル、銅メッキ |
| サイズ | M6×23~M6×70 |
| 規格 | - - - |
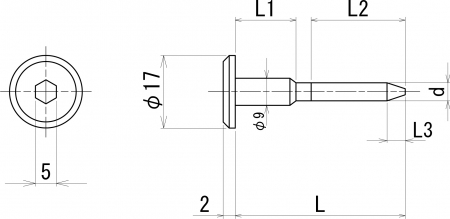
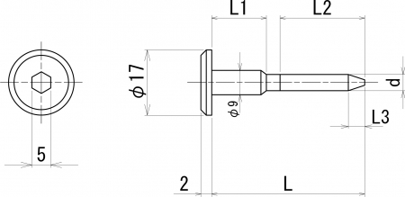
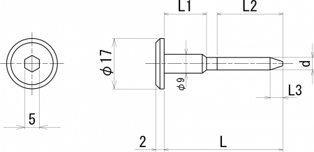
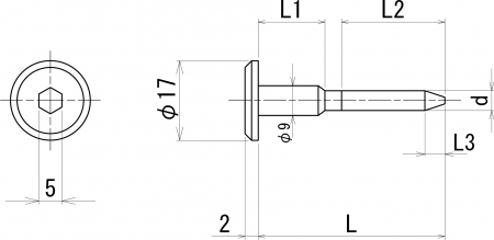
| 特長 | M6(並目)で呼び径を統一したジョイントコネクターボルト(JCB)は、鬼目ナットやジョイントコネクターナット等と組み合わせて「ノックダウン方式家具」(工場で部材を生産、現地で組み立て)をシステム化するファスナーです。釘や木ねじと比較して組み立て時の省施工性に優れ、誰でも簡単に高精度の組み立てが出来ます。また、繰り返し使用も可能です。輸送コストを抑え搬入問題を解決するので、コンシューマー用組立家具だけでなくユニット家具、キャビネット等の大型家具にも利用されています。 Aタイプ(JCB-A)は首下がねじ部より太くφ9弌△海舛蕕力山儼リセスは締め付けトルク強度が(+-)に比べ3〜4倍のため、荷重のかかる大型構造体や重量物等に最適です。高トルク締結時の頭部陥没を防ぐ幅広(φ17mm)の皿形頭部は化粧材表面を保護し、高い直角度を保ちます。ガイドテーパー付きのボルト先端部が、ナットへの挿入を容易にします。脚物、箱物など美観や強度、直角度を必要とする個所に最適です。 +・−ドライバーで締結できるJCB-A(+-)も選べます。 |
|---|