

| 材質 | 鉄(または標準材) |
|---|---|
| 表面処理 | ニッケル、銅メッキ |
| サイズ | M6×15~M6×70 |
| 規格 | - - - |
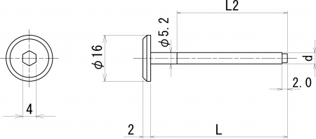
| 特長 | JCB(ジョイントコネクターボルト)は組立て家具やユニット家具のようなノックダウン方式家具(半完成品を工場で生産し、現地で組み立てる)のために開発されたボルトです。M6に呼び径を統一し、ジョイントコネクターナットや鬼目ナット等と組み合わせて、簡単・確実に木材製品の構造体の接合を行える様にシステム化しました。 確実な接合と経済性を両立するためBタイプ(JCB-B)は首下径がAタイプより細く、ねじ径と同径です。広い面積を持つデザイン性に優れた皿状の頭部(φ16mm)は、高トルクでの締結時の陥没を防いで部材を保護し、安定した直角度を確保します。リセスは六角穴(s4)で締付けトルクは+・−ドライバーに比べ3〜4倍の強度があります。色もデザインに合わせ選択可能。箱物・脚物など、美観、強度、直角度を必要とする接合個所への利用に最適です。L=30〜70个離椒襯叛菽蕊瑤楼戝丙戮、ナットへの挿入ガイドとな+・−ドライバー用もございます。 ※L=15は先端までねじ部となります。 |
|---|