

| 材質 | ステンレス |
|---|---|
| 表面処理 | 生地 |
| サイズ | M3~M8 |
| 規格 | - - - |
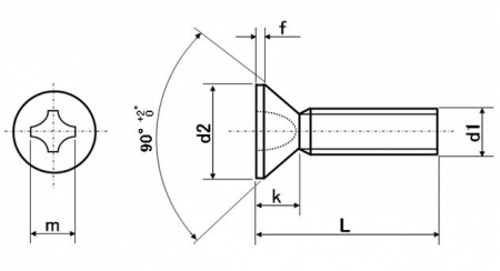
| 特長 | こちらは左ねじ(逆ねじ)です。 一般品“右ねじ”と比較して流通量が限られコスト高です。 ねじ・ボルトは通常、右に(時計回り)回すと締まり(前進)、左に(反時計回)に回すと緩み(後退)ます。この動作をするねじ・ボルトを“右ねじ”と呼びます。右ねじでは緩む方向のトルクが作用する回転刃の固定のような所で“左ねじ”を使用します。また一部に左ねじを混ぜて使用すると通常動作で外せないため簡易的な“いたずら防止ねじ”としても利用できます。 皿小ねじは締結後に面一(つらいち・フラット)にしたい箇所へ使用します。埋め込むためには頭部径(d2 呼び径d1の2倍)のドリルを用いたザグリ加工(「皿もみ」とも呼ばれます)が必要です。「皿」形の頭部にちなんだ皿頭小ねじ、皿ねじ、皿ビス、十字穴付き皿小ねじなどの呼び名もあります。サイズはメートルねじをあらわすM(呼び径mm)×(呼び長さmm)と並べ表記します。呼び長さには他の小ねじ類とは異なり、頭部の厚みを含みます。ご注意ください。 皿小ねじ(右ねじ一般品)はこちら。 |
|---|