

| 材質 | ステンレス |
|---|---|
| 表面処理 | 生地 |
| サイズ | M3~M6 |
| 規格 | ISO7046 - - |
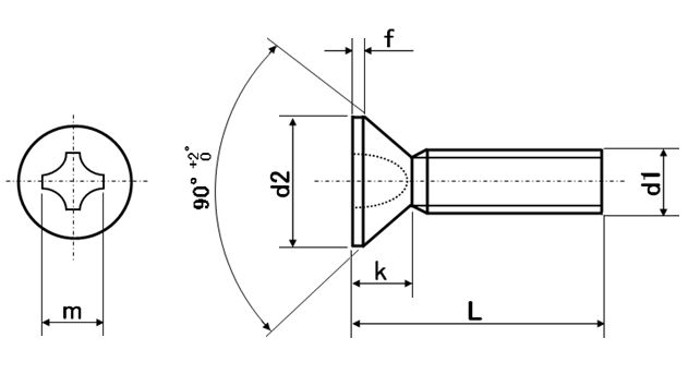
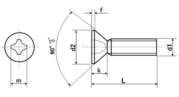
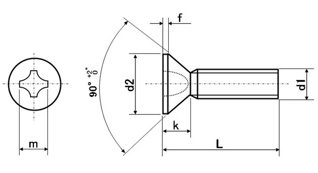
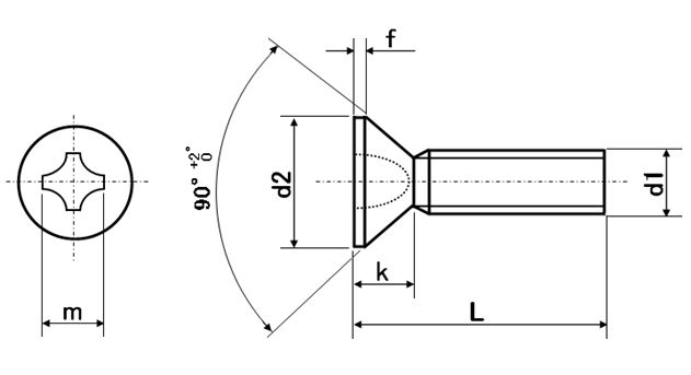
| 特長 | 海外商品でありながら低価格・高品質のボサードブランド商品です。 出っ張ると支障がある扉の蝶番(ちょうつがい)のような締結後、フラットになる箇所へ使用します。頭の「皿」形状に因み皿小ねじのほか、皿頭小ねじ、皿ねじ、皿ビス、十字穴付き皿小ねじ、またフラットヘッドねじなどの呼び名があります。頭部径(d2)のドリルを用いたザグリ加工(「皿もみ」とも)が埋め込むためには必要です。 頭部はフラットな上面中央に十字穴駆動溝(リセス)がある円錐形(90度の線形テーパー)です。頭部径は呼び径d1の2倍です。こちらのねじ山はメートルねじ並目でサイズはM2×10の様にメートルねじをあらわすMに(呼び径)×(呼び長さ)と並べます。呼び長さには他の小ねじ類と異なり頭部の厚みを含めます。ステンレス製なので焼付き(かじり)易くなります。高トルク、高速度での締め付けにはご注意ください。 「カムアウト」「なめる」などの締結時のトラブルを避けるために十字穴サイズと同じ番号の+ドライバーを使用してください。 多様なニーズにお応えする一般品はこちらです。 |
|---|