

| 材質 | 鉄(または標準材) |
|---|---|
| 表面処理 | 三価クロメート |
| サイズ | M3×8~M8×20.5 |
| 規格 | - - - |
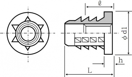
| 特長 | 組立て・解体や着脱を繰り返す組立構造方式家具にめねじを埋設するために開発された木材向けインサートナットです。木ねじでは不可能な着脱を繰り返せる、耐久性があるボルト接合をハンガーボルト等を埋め込んだ相手材と組み合わせて実現し、製品の設置場所での高強度・高精度の組み立てを誰でも容易に行えます。 「つば(フランジ)付・打ち込み」式のBタイプは、厚い“つば”が陥没を防ぎ荷重を受け持つので、軟材や部材を挟んでの使用にも適しています。下穴への挿入はハンマー等での打込み、または圧入で素早く行えます。ナット外部にある鋸刃状の突起は戻り・緩みを防ぎます。ジョイントコネクターボルトと組み合わせると外観をより美しく仕上げながら接合部の精度・強度を高めます。高い引抜強度が必要な場合はねじ込みタイプをご利用ください。 タイプ選定に関してこちらもご参照下さい。 ※サイズは『d×L』となります。 ※サイズにより形状が変わります。(M6×25はガイド付になります) ※木材に雄ねじを付ける場合にはハンガーボルトをご利用下さい。 ※材質の“鉄”は『亜鉛合金ダイカスト』となります。 |
|---|