

| 材質 | 鉄(または標準材) |
|---|---|
| 表面処理 | 三価クロメート |
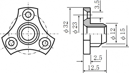
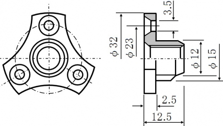
| サイズ | M8×12.5~M10×12.5 |
| 規格 | - - - |
| 特長 | “鬼目ナット”のキャスター・アジャストボルト等の脚取付け専用インサートナット、打ち込みタイプ(下穴にハンマー等で打ち込み、または圧入する)です。大荷重に耐える呼び径M8、M10の大型になっています。ナット円筒外周部にある突起が取付け保持性をアップし、埋め込み後の回転や抜けを防ぎます。また大型のつばには固定用の3個のビス取付け穴(M3.5皿タッピング推奨 皿ねじ用ザグリ加工有)がバランスよく配置され、一層強固に固定することが出来ます。 鬼目ナットはノックダウン方式家具用にハンガーボルトや、ジョイントコネクターボルトと組み合わせて高精度で耐久性のあるめねじを設置するために開発された木材用インサートナットです。高強度・高精度の組付けを誰でも簡単に行えるようにデザインされています。またDIYでも木工でテーブル脚の様な着脱が自由に出来る堅固な構造や可動部分を手軽に制作できます。 ※鬼目ナットについて詳しくはこちらをご覧下さい。 ※サイズは『d×L』となります。 ※材質の“鉄”は『亜鉛合金ダイカスト』となります。 |
|---|