

| 材質 | |
|---|---|
| 表面処理 | |
| サイズ | |
| 規格 | - - - |
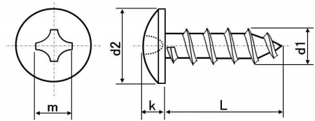
| 特長 | 頭部が丸い凸型のトラス頭のタッピングねじ(またはタッピンねじ 英Self-tapping screw)で標準のトラス頭より頭部径が小さく高さも抑えられるので省スペースで締結できます。AトラスタッピンやAトラスとも呼ばれます。 タッピンねじの最も一般的な形状がA形(1種)で、木ねじの様に先端部が45°に尖っていて荒いピッチが特徴です。「浸炭焼き入れ」と呼ばれる熱処理により内部の靭性は保ったまま表面を硬くして、ねじを下穴へねじ込むことで自らねじ山を塑性変形によって形成して締結することを可能にしています。ナットやめねじ立ては不要で締結の自動化に適しコストダウンも図れます。また万一緩んだ際にも、塑性変形させた相手材のスプリングバックによる抵抗が脱落を防止します。 A型(1種)は1.2舒焚爾稜鋼板、木材・ハードボードや石綿、樹脂等に使用します。先端が太いB0・B1型(2種)はA形よりピッチが細かくなり、C0・C1型(3種)は最もピッチが細かくメートルねじ並目になります。 ねじ込み抵抗を減らしたタップタイトも便利です。 |
|---|