

| 材質 | 鉄(または標準材) |
|---|---|
| 表面処理 | 三価クロメート |
| サイズ | 2~4 |
| 規格 | - - - |
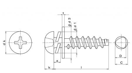
| 特長 | Bタイト座金組込とも呼ばれるタップタイトBタイプなべにばね座金とJIS平座金を組込んで一体化したものです。薄鋼板及び厚板(5舒焚次法非金属、樹脂、硬質ゴムに適している2種(B)タッピングの改良品でピッチが同じです。下穴にねじ込むだけでセルフタッピングし締結する、めねじ加工やナットが必要ないタップタイトは胴部分がおにぎり形状(三角形)の断面になっています。この形状によりねじ込みの際には相手材との三点で接触することで内部応力を減らしてねじ込み抵抗が少なく、ねじ込み後は相手材のスプリングバックにより緩みにくい、といった特徴があります。また、切削しないため切粉は僅かです。 セムスはねじ・ボルトにワッシャー(座金)を予め組み込んだもので、ねじ山が転造時に元の径よりも盛り上がることを利用し、転造工程の直前に座金を組込み抜け落ちません。座金をセットする手間が不要なのでねじ込み作業の効率は向上し自動機にも対応出来ます。ねじを抜き取る際も座金は脱落しないのでメンテナンス性も高まります。 →平座金の規格一覧はこちら |
|---|