

| 材質 | 鉄(または標準材) |
|---|---|
| 表面処理 | 三価クロメート |
| サイズ | 3~4 |
| 規格 | - - - |
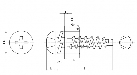
| 特長 | タップタイトBタイプなべにSWとJIS小型平座金の2枚の座金が組込まれています。セムスはねじ・ボルトにワッシャー(座金)を予め組込んだものを指し、ねじ山を刻む転造時にねじ山が軸の直径よりも盛り上がるので、転造工程の直前に座金を組み込むと外れません。P=2はSWの組込みでP=3はSWとJIS平ワッシャー、P=4はSWとJIS小型平ワッシャー、ISO座金の組込の場合はI=2、I=3、I=4と表わされる等ねじ・ボルトと座金の様々な組み合わせがあります。座金をセットする手間が不要で自動機にも対応出来、メンテナンス作業時も座金が脱落する心配が無いので作業性が向上しコストダウンに貢献します。 Bタイプは薄鋼板及び5舒焚爾慮板、非金属、樹脂、硬質ゴムに適している2種(B)タッピングの改良品でピッチが同じです。下穴にねじ込むだけでセルフタッピングし締結するタップタイトは切削しないため切粉が出ません。通常のタッピングねじに比べてねじ込み抵抗が少なく、ねじ込み後は相手材の伸縮復元力を利用して緩みにくい、といった特徴があります。 →平座金の規格一覧はこちら |
|---|