

| 材質 | 鉄(または標準材)、ステンレス |
|---|---|
| 表面処理 | 生地、三価クロメート、三価ブラック、ニッケル |
| サイズ | 1.7~2.6 |
| 規格 | - - - |
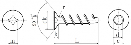
| 特長 | デジカメやスマホなどの精密機器で使用されている皿頭のタップタイトです。ザグリ加工によって頭部をワークとフラットに仕上げることが出来ます。「0番」は+ドライバーの#(0ゼロ番)で廻す十字穴のリセスであることを意味し、「1種」は頭部の大きさが皿頭のマイクロねじにおいて最小であることを表し、JIS皿頭と比較して頭部高は約50%、外径は約75%になります。 Pタイプは可塑性樹脂専用で2条ねじのためスピーディーかつ真っ直ぐにねじ込めます。鋭角45°のねじ山角度と首下にある不完全ねじ部が樹脂のダメージを減らす為、樹脂の白化・ワレ・カケを防ぎ、繰り返し使用してもねじバカになりません。 下穴にねじ込むだけで塑性変形によりセルフタッピングし締結するタップタイトは締結時の切粉は僅かです。ねじ胴部の三角形断面はねじ込み時の内部応力を減少させるので作業性が良く作業者の負担も軽減します。ねじ込み後は相手材のスプリングバックにより振動・衝撃による緩み・脱落を効果的に防止します。 皿頭は「長さ」に頭部厚を含みます。 |
|---|