2月1日よりナイロン化粧ねじ(ナット)の割引キャンペーンを実施します!                                    ★★ ねじコンシェル.comは全品 税込 価格です ★★                                    リクエスト商品も受付中です。お気軽にご相談ください。                                    取扱い商品、ドンドン拡充中です。                                    

商品名/型番検索

ショッピングカート

0点の商品が入っています。

合計 0円(税込)

取り扱い商品一覧

小ねじ・マイクロねじ、座金組込みねじ

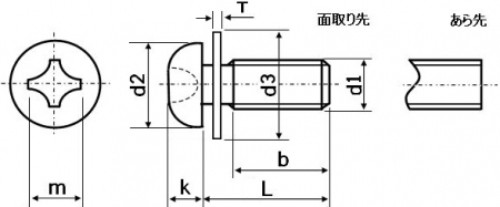
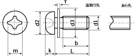
(+)なべセムス P=1

材質 鉄(または標準材)、ステンレス
表面処理 生地、三価クロメート、三価ブラック
サイズ M2~M8
規格 -
JIS B 1188
-
特長 一般的なねじ締結に最もよく使われるなべ小ねじに、平座金(JIS規格)が組込まれています。なべ頭セムス小ねじやナベセムスP1とも呼ばれます。座金を組込む手間や脱落の心配が無いので作業の効率化に有効です。なべセムスには他にも、ばね座金組込のP=2、ばね座金と平座金組込(旧JIS規格)のP=3、ばね座金と平座金(JIS小型)組込のP=4などを用途に合わせてお選びいただけます。他にも様々なネジ・ボルトのセムスがあります。
現在量産されるねじ・ボルトの大部分はまず線材をカットしヘッダー加工にて頭とねじ山がない胴から成る「ねじブランク」を作ります。その後ねじ山を刻んだ型、2枚のダイプレートで挟み込み、間を転がす事でねじ山を成形します(転造)。その際ねじの「山」は盛り上がります。転造の前に座金を組み込むと、ねじ山径は座金の穴径より大きくなるので座金はねじから抜けなくなります。
「セムス」の呼び名は、1930年代にイリノイツールワーク社が開発し特許を取得した座金組み込みねじの登録商標から来ています。

→平座金の規格一覧はこちら

・全国一律送料880円(税込)
※ただし一部寸切商品は1,320円(税込)
・11,000円(税込)以上で送料無料!
※返品について
お客様都合での返品は承りかねます。
返品に関してはこちらよりご確認ください。

・本サイトでの最低取引価格は「税込550円~」となります。
なお、「税込550円未満のご注文」に関しては、
「税込550円」として処理させていただきます。
・問合せ商品は、後日当社からご連絡します。
・小数点以下切り上げです。
※箱単価=1本当たりの価格です。

サイズ 材質 表面処理 P(ピッチ) d2 k d3×T 十字穴番号 - - 箱単価 入数 ばら
売り
ばら
単価
税抜
価格
発送目安 数量
(個)
価格
M6×10 ステンレス 生地 1.0 10.5 3.9 13×1 3 16.81 200 33.62 1営業日 0
M6×12 ステンレス 生地 1.0 10.5 3.9 13×1 3 17.43 200 34.85 1営業日 0
M6×14 ステンレス 生地 1.0 10.5 3.9 13×1 3 18.69 200 × - 1営業日 0
M6×15 ステンレス 生地 1.0 10.5 3.9 13×1 3 18.69 200 × - 1営業日 0
M6×16 ステンレス 生地 1.0 10.5 3.9 13×1 3 19.57 200 39.14 1営業日 0
M6×18 ステンレス 生地 1.0 10.5 3.9 13×1 3 20.50 200 × - 1営業日 0
M6×20 ステンレス 生地 1.0 10.5 3.9 13×1 3 20.67 200 41.34 1営業日 0
M6×25 ステンレス 生地 1.0 10.5 3.9 13×1 3 23.36 200 46.71 1営業日 0
サイズ 材質 表面処理 P(ピッチ) d2 k d3×T 十字穴番号 - - 箱単価 入数 ばら
売り
ばら
単価
税抜
価格
発送目安 数量
(個)
価格
M6×30 ステンレス 生地 1.0 10.5 3.9 13×1 3 27.56 200 55.11 1営業日 0
M6×35 ステンレス 生地 1.0 10.5 3.9 13×1 3 30.19 100 × - 1営業日 0
M6×40 ステンレス 生地 1.0 10.5 3.9 13×1 3 33.36 100 66.71 1営業日 0
M6×45 ステンレス 生地 1.0 10.5 3.9 13×1 3 39.45 100 × - 1営業日 0
M6×50 ステンレス 生地 1.0 10.5 3.9 13×1 3 42.83 100 × - 問合せ 0

この商品を購入した方におすすめ

・全国一律送料880円(税込)
※ただし一部寸切商品は1,320円(税込)
・11,000円(税込)以上で送料無料!
※返品について
商品到着後、5日以内に着払いでご返品ください。

・本サイトでの最低取引価格は「税込550円~」となります。
なお、「税込550円未満のご注文」に関しては、
「税込550円」として処理させていただきます。
・お問合せ商品は、後日当社からご連絡します。
・小数点以下切り上げです。
※箱単価=1本当たりの価格です。

▲ページのトップに戻る