2月1日よりナイロン化粧ねじ(ナット)の割引キャンペーンを実施します!                                    ★★ ねじコンシェル.comは全品 税込 価格です ★★                                    リクエスト商品も受付中です。お気軽にご相談ください。                                    取扱い商品、ドンドン拡充中です。                                    

商品名/型番検索

ショッピングカート

0点の商品が入っています。

合計 0円(税込)

取り扱い商品一覧

小ねじ・マイクロねじ

(+)なべ小ねじ UNC

材質 ステンレス
表面処理 生地
サイズ #1~3/8
規格 -
-
-
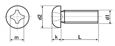
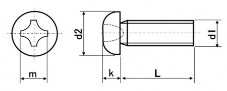
特長 料理鍋をひっくり返したような頭部形状に因み英語でpan(パン 鍋) head screw、日本語でもなべ小ねじ、なべビス、と呼びます。ナットと組み合わせて、あるいは相手材にタップしためねじを利用して締結します。一般的な締結で最も広く用いられている形状のねじです。
ユニファイANSI(アンシー 米国国家規格協会)規格、ねじ径や長さをインチで規定するインチねじです。ねじピッチは1インチ(=25.4mm)当たりの山数で表し、ねじ山の実数ではありません。ねじ山の角度は60°です。呼び径は細い物は「番手」で#2(にばん)などと呼び、太いものは一インチを8で割った分数の分子の数で1/4(=2/8 二分 にぶ)の様に呼びます。本品は並目です。細目(UNF)のご用意もあります。ユニファイを採用している地域は北米と英国ですが他の場所でも使用例があります。車、バイク、パソコン、オーディオ、家具等多くの製品に採用されています。
本品はステンレス製です。高速で締め付けると焼き付き(かじり)易い為、電動工具やエアー工具をご使用の際には締付速度にご注意ください。

ユニファイ規格のサイズについてはこちらをご参照下さい。

・全国一律送料880円(税込)
※ただし一部寸切商品は1,320円(税込)
・11,000円(税込)以上で送料無料!
※返品について
お客様都合での返品は承りかねます。
返品に関してはこちらよりご確認ください。

・本サイトでの最低取引価格は「税込550円~」となります。
なお、「税込550円未満のご注文」に関しては、
「税込550円」として処理させていただきます。
・問合せ商品は、後日当社からご連絡します。
・小数点以下切り上げです。
※箱単価=1本当たりの価格です。

サイズ 材質 表面処理 ねじの山数 d2 max. (mm) d2 min. (mm) k max. (mm) k min. (mm) 十字穴番号 - 箱単価 入数 ばら
売り
ばら
単価
税抜
価格
発送目安 数量
(個)
価格
#3×1/2 ステンレス 生地 48 4.902 4.272 1.803 1.574 1 56.10 80 × - 3営業日 0
#3×5/8 ステンレス 生地 48 4.902 4.272 1.803 1.574 1 70.40 50 × - 3営業日 0
#3×3/4 ステンレス 生地 48 4.902 4.272 1.803 1.574 1 70.40 50 × - 3営業日 0
#3×1" ステンレス 生地 48 4.902 4.272 1.803 1.574 1 93.50 40 × - 3営業日 0
#4×1/8 ステンレス 生地 40 5.562 5.207 2.032 1.778 1 33.00 100 × - 3営業日 0
#4×5/32 ステンレス 生地 40 5.562 5.207 2.032 1.778 1 16.50 250 × - 3営業日 0
#4×3/16 ステンレス 生地 40 5.562 5.207 2.032 1.778 1 16.50 250 × - 3営業日 0
#4×1/4 ステンレス 生地 40 5.562 5.207 2.032 1.778 1 16.50 250 × - 3営業日 0
サイズ 材質 表面処理 ねじの山数 d2 max. (mm) d2 min. (mm) k max. (mm) k min. (mm) 十字穴番号 - 箱単価 入数 ばら
売り
ばら
単価
税抜
価格
発送目安 数量
(個)
価格
#4×5/16 ステンレス 生地 40 5.562 5.207 2.032 1.778 1 16.50 250 × - 3営業日 0
#4×3/8 ステンレス 生地 40 5.562 5.207 2.032 1.778 1 16.50 250 × - 3営業日 0
#4×7/16 ステンレス 生地 40 5.562 5.207 2.032 1.778 1 33.00 100 × - 3営業日 0
#4×1/2 ステンレス 生地 40 5.562 5.207 2.032 1.778 1 16.50 250 × - 3営業日 0
#4×9/16 ステンレス 生地 40 5.562 5.207 2.032 1.778 1 34.10 100 × - 3営業日 0
#4×5/8 ステンレス 生地 40 5.562 5.207 2.032 1.778 1 18.70 200 × - 3営業日 0
#4×3/4 ステンレス 生地 40 5.562 5.207 2.032 1.778 1 33.00 100 × - 3営業日 0
#4×7/8 ステンレス 生地 40 5.562 5.207 2.032 1.778 1 47.30 80 × - 3営業日 0
サイズ 材質 表面処理 ねじの山数 d2 max. (mm) d2 min. (mm) k max. (mm) k min. (mm) 十字穴番号 - 箱単価 入数 ばら
売り
ばら
単価
税抜
価格
発送目安 数量
(個)
価格
#4×1" ステンレス 生地 40 5.562 5.207 2.032 1.778 1 47.30 80 × - 3営業日 0
#4×1-1/8 ステンレス 生地 40 5.562 5.207 2.032 1.778 1 70.40 50 × - 3営業日 0
#4×1-1/4 ステンレス 生地 40 5.562 5.207 2.032 1.778 1 70.40 50 × - 3営業日 0
#4×1-3/8 ステンレス 生地 40 5.562 5.207 2.032 1.778 1 70.40 50 × - 3営業日 0
#4×1-1/2 ステンレス 生地 40 5.562 5.207 2.032 1.778 1 70.40 50 × - 3営業日 0
#4×1-3/4 ステンレス 生地 40 5.562 5.207 2.032 1.778 1 93.50 40 × - 3営業日 0
#4×2" ステンレス 生地 40 5.562 5.207 2.032 1.778 1 93.50 40 × - 3営業日 0
#4×2-1/2 ステンレス 生地 40 5.562 5.207 2.032 1.778 1 280.50 15 × - 3営業日 0

この商品を購入した方におすすめ

・全国一律送料880円(税込)
※ただし一部寸切商品は1,320円(税込)
・11,000円(税込)以上で送料無料!
※返品について
商品到着後、5日以内に着払いでご返品ください。

・本サイトでの最低取引価格は「税込550円~」となります。
なお、「税込550円未満のご注文」に関しては、
「税込550円」として処理させていただきます。
・お問合せ商品は、後日当社からご連絡します。
・小数点以下切り上げです。
※箱単価=1本当たりの価格です。

▲ページのトップに戻る