


| 材質 | SUS304CUN |
|---|---|
| 表面処理 | 生地 |
| サイズ | M6~M16 |
| 規格 | - - - |
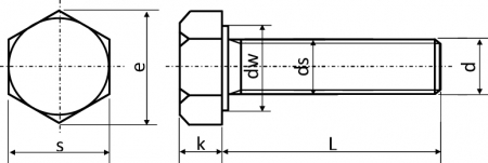
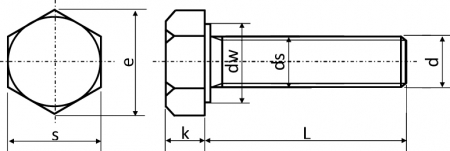
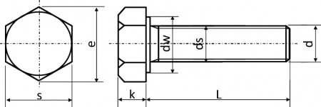
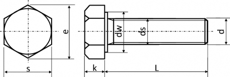
| 特長 | 軸部分全体にねじが切られている全ねじタイプの六角ボルトです。 ステンレスは含有しているクロムが鉄より先に酸化し、極薄い自己再生する “不動態皮膜”と呼ばれる保護酸化皮膜を表層に形成します。これが錆や腐食に対して強い理由です。こちらの商品はSUS304系(オーステナイト系)でありながら、高強度を達成するために成分調整を行ったステンレス「SUS304CUN®」を使用。引張強度1000N/㎟ 耐力800N/㎟となり10.9クラスの鋼製ボルトと同等の強度を誇ります。一般ステンレス品からのサイズダウンが可能。また高耐熱、高耐食でメンテナンスの省力化を図れ、トータルコストダウンを達成します。機械、車両、バルブ等での締結部の小型軽量化・長寿命化に最適です。 半ねじタイプのご購入はこちらへ。 ※電蝕を避け高入力に対応するためA2-100 ハイテンションナット、HV300 ハイテンションワッシャーと共にご使用ください。 ※頭部は新JIS規格(本体規格)に基づいている為ワッシャーフェイス付で、六角対辺はM10が16弌M12は18です。 ※表面は時効処理のため少し白っぽくなります。 |
|---|