

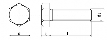
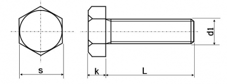
| 材質 | 鉄(または標準材) |
|---|---|
| 表面処理 | 生地、ユニクロ |
| サイズ | W5/16~W1" |
| 規格 | - - - |
| 特長 | ウィット規格は現在廃止となっておりますが、建築関係など一部の業界などでは引き続き使用されております。押ねじ・押ボルトとも呼ばれます。こちらは全ねじタイプの六角ボルトで日規(日本工業規格)商品となります。 ネジ山の角度が55°となり日本で広く普及しているミリねじやアメリカねじとも呼ばれるユニファイねじの60°と異なります。呼び径は1インチ(=25.4mm)が基準となり、分母を8とした際の分子の数が呼称(例W1/8 「一分」読みイチブ 外径約3.18mm)となります。ねじのピッチは1インチに対する山数で示します。日規商品は一般ウィット規格品と比較して二面幅、頭部高さが異なる場合があります。 ウィット規格はこちらでご確認いただけます。 |
|---|