3月1日より高強度ステンレスシリーズの割引キャンペーンを実施します!                                    ★★ ねじコンシェル.comは全品 税込 価格です ★★                                    リクエスト商品も受付中です。お気軽にご相談ください。                                    取扱い商品、ドンドン拡充中です。                                    

商品名/型番検索

ショッピングカート

0点の商品が入っています。

合計 0円(税込)

取り扱い商品一覧

小ねじ・マイクロねじ

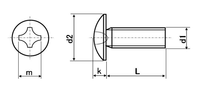
(+)トラス小ねじ

材質 鉄(または標準材)、ステンレス、SUS316L、黄銅(真鍮)、アルミ
表面処理 生地、ユニクロ、クロメート、三価クロメート、三価ブラック、ニッケル
サイズ M2~M16
規格 -
JIS B 1111
-
特長 球体の一部を切り取った丸い凸型頭部が特徴です。英語名は truss head screw。真横からの見た目が建築用語の”トラス“(三角形を基本単位として作られる骨組構造)に似ている事からトラス小ねじと呼ばれるようです。トラスねじ、トラスビス、十字穴付きトラス小ねじの名称があります
同じ呼び径で比較するとなべ小ねじより頭部は低く、頭部径は大きくなり締結後ねじ頭部は表面に露出します。広い着座面積が接触面圧力を下げ締結時の座面陥没や塑性変形を防ぐため、材木など柔らかい素材の締結に有効です。また高トルクで締結し軸力を高めることが出来、振動・衝撃による緩みの防止効果を期待できます。また、大きめの取付穴や長穴にも座金なしでの使用もできます。見た目もすっきりしているので外観用にも適しており、建築部品・家具などに多く使用されています。
こちらはメートルねじです。サイズはM(呼び径mm)×(呼び長さmm)で表し、なべ小ねじ同様ねじの呼び長さに頭部は含めません。インチねじUNCUNF)もご用意しています。

お得な‘ボサード品’もございます。

・全国一律送料880円(税込)
※ただし一部寸切商品は1,320円(税込)
・11,000円(税込)以上で送料無料!
※返品について
お客様都合での返品は承りかねます。
返品に関してはこちらよりご確認ください。

・本サイトでの最低取引価格は「税込550円~」となります。
なお、「税込550円未満のご注文」に関しては、
「税込550円」として処理させていただきます。
・問合せ商品は、後日当社からご連絡します。
・小数点以下切り上げです。
※箱単価=1本当たりの価格です。

サイズ 材質 表面処理 P(ピッチ) d2 k m 十字穴の番号 - - 箱単価 入数 ばら
売り
ばら
単価
税抜
価格
発送目安 数量
(個)
価格
M5×40 ステンレス 生地 0.8 11.8 3.1 5.0 2 19.10 200 38.20 1営業日 0
M5×45 ステンレス 生地 0.8 11.8 3.1 5.0 2 21.29 100 42.57 即納可能 0
M5×50 ステンレス 生地 0.8 11.8 3.1 5.0 2 23.51 100 47.02 即納可能 0
M5×55 ステンレス 生地 0.8 11.8 3.1 5.0 2 26.67 100 53.33 1営業日 0
M5×60 ステンレス 生地 0.8 11.8 3.1 5.0 2 29.45 100 58.90 1営業日 0
M5×65 ステンレス 生地 0.8 11.8 3.1 5.0 2 33.94 100 67.87 1営業日 0
M5×70 ステンレス 生地 0.8 11.8 3.1 5.0 2 37.31 100 74.61 1営業日 0
M5×75 ステンレス 生地 0.8 11.8 3.1 5.0 2 44.46 100 88.91 1営業日 0
サイズ 材質 表面処理 P(ピッチ) d2 k m 十字穴の番号 - - 箱単価 入数 ばら
売り
ばら
単価
税抜
価格
発送目安 数量
(個)
価格
M5×80 ステンレス 生地 0.8 11.8 3.1 5.0 2 74.54 100 149.08 1営業日 0
M5×90 ステンレス 生地 0.8 11.8 3.1 5.0 2 82.55 100 165.09 1営業日 0
M5×100 ステンレス 生地 0.8 11.8 3.1 5.0 2 93.02 100 186.04 1営業日 0
M6×6 ステンレス 生地 1.0 14 3.7 6.3 3 15.33 500 30.65 1営業日 0
M6×8 ステンレス 生地 1.0 14 3.7 6.3 3 13.63 500 27.26 1営業日 0
M6×10 ステンレス 生地 1.0 14 3.7 6.3 3 13.84 500 27.68 即納可能 0
M6×12 ステンレス 生地 1.0 14 3.7 6.3 3 14.44 200 28.87 即納可能 0
M6×14 ステンレス 生地 1.0 14 3.7 6.3 3 15.09 200 30.17 1営業日 0
サイズ 材質 表面処理 P(ピッチ) d2 k m 十字穴の番号 - - 箱単価 入数 ばら
売り
ばら
単価
税抜
価格
発送目安 数量
(個)
価格
M6×15 ステンレス 生地 1.0 14 3.7 6.3 3 14.28 200 28.56 1営業日 0
M6×16 ステンレス 生地 1.0 14 3.7 6.3 3 15.02 200 30.03 1営業日 0
M6×18 ステンレス 生地 1.0 14 3.7 6.3 3 16.47 200 32.94 1営業日 0
M6×20 ステンレス 生地 1.0 14 3.7 6.3 3 16.47 200 32.94 1営業日 0
M6×22 ステンレス 生地 1.0 14 3.7 6.3 3 19.46 200 38.92 1営業日 0
M6×25 ステンレス 生地 1.0 14 3.7 6.3 3 18.84 200 37.67 1営業日 0
M6×30 ステンレス 生地 1.0 14 3.7 6.3 3 22.25 200 44.49 即納可能 0
M6×35 ステンレス 生地 1.0 14 3.7 6.3 3 25.18 100 50.36 1営業日 0

この商品を購入した方におすすめ

・全国一律送料880円(税込)
※ただし一部寸切商品は1,320円(税込)
・11,000円(税込)以上で送料無料!
※返品について
商品到着後、5日以内に着払いでご返品ください。

・本サイトでの最低取引価格は「税込550円~」となります。
なお、「税込550円未満のご注文」に関しては、
「税込550円」として処理させていただきます。
・お問合せ商品は、後日当社からご連絡します。
・小数点以下切り上げです。
※箱単価=1本当たりの価格です。

▲ページのトップに戻る