

| 材質 | 鉄(または標準材)、ステンレス、SUS316L、黄銅(真鍮)、アルミ | 
|---|---|
| 表面処理 | 生地、ユニクロ、クロメート、三価クロメート、三価ブラック、ニッケル | 
| サイズ | M2~M16 | 
| 規格 | - JIS B 1111 -  | 
    
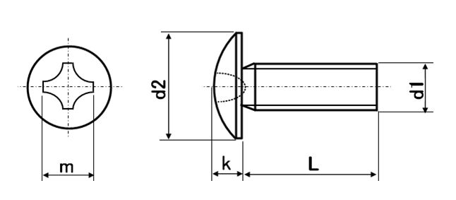
| 特長 | 球体の一部を切り取った丸い凸型頭部が特徴です。英語名は truss head screw。真横からの見た目が建築用語の”トラス“(三角形を基本単位として作られる骨組構造)に似ている事からトラス小ねじと呼ばれるようです。トラスねじ、トラスビス、十字穴付きトラス小ねじの名称があります 同じ呼び径で比較するとなべ小ねじより頭部は低く、頭部径は大きくなり締結後ねじ頭部は表面に露出します。広い着座面積が接触面圧力を下げ締結時の座面陥没や塑性変形を防ぐため、材木など柔らかい素材の締結に有効です。また高トルクで締結し軸力を高めることが出来、振動・衝撃による緩みの防止効果を期待できます。また、大きめの取付穴や長穴にも座金なしでの使用もできます。見た目もすっきりしているので外観用にも適しており、建築部品・家具などに多く使用されています。 こちらはメートルねじです。サイズはM(呼び径mm)×(呼び長さmm)で表し、なべ小ねじ同様ねじの呼び長さに頭部は含めません。インチねじ(UNC・UNF)もご用意しています。 お得な‘ボサード品’もございます。  | 
  
|---|