

| 材質 | 鉄(または標準材)、ステンレス |
|---|---|
| 表面処理 | 生地、ユニクロ、三価クロメート、三価ブラック |
| サイズ | 3~5 |
| 規格 | - - - |
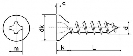
| 特長 | セルフタップタッピング機能を備えているタッピングねじ(英Self-tapping screw)またはタッピンねじです。A形(1種)タッピンねじには様々な頭部形状があり、こちらはA皿タッピンやA皿とも呼ばれます。“皿"は頭部形状に由来しており、頭部が露出しないよう座ぐり加工します。通常のA皿タッピングに比べ頭部径の一回り小さな皿小頭は窓枠の様な大きくザグリ加工の出来ない薄型や小型の部材に用いられます。頭部径は呼び径M3はφ5、M3.5・M4はφ6、M5がφ8となります。 木ねじのような先端部が尖った外観のA形(1種)は最も一般的な形状で、ピッチが最も荒く、下穴にねじ込まれる際に相手材を塑性変形させてねじ山を成型しながら締結します。万一緩んだ時にも相手材のスプリングバックにより抵抗を生じ脱落を防ぎます。 A型(1種)は木材・ハードボードや1.2舒焚爾稜鋼板、石綿、樹脂等に、先端が太いB0型(2種) は薄鋼板及び5舒焚爾慮板、C0型(3種)はより厚い厚板に対応します。また刃のあるB1・C1は構造用鋼や鋳物に使用出来ます。 |
|---|