2月1日よりナイロン化粧ねじ(ナット)の割引キャンペーンを実施します!                                    ★★ ねじコンシェル.comは全品 税込 価格です ★★                                    リクエスト商品も受付中です。お気軽にご相談ください。                                    取扱い商品、ドンドン拡充中です。                                    

商品名/型番検索

ショッピングカート

0点の商品が入っています。

合計 0円(税込)

取り扱い商品一覧

小ねじ・マイクロねじ

(+)皿小ねじ 0番1種

材質 鉄(または標準材)、ステンレス、黄銅(真鍮)
表面処理 生地、三価クロメート、三価ブラック、ニッケル、黒亜鉛
サイズ M1.0~M2.6
規格 -
-
-
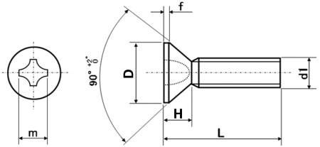
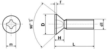
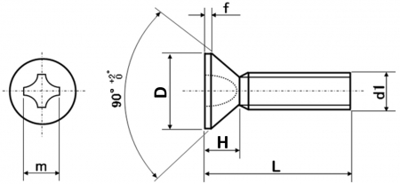
特長 マイクロねじと呼ばれる日本写真機工業規格(JCIS)「精密機器用十字穴付き小ねじ」が元となるねじで、0番皿小ねじ、精密ねじ、カメラネジ、眼鏡ビスなどとも呼ばれます。カメラやメガネはもちろん、PC・スマホ・タブレット等の小型精密機器や電子機器へ使用されています。ザグリ加工が必要ですが締結がコンパクトでフラットに仕上がります。
「0番」は駆動溝(リセス)のサイズを示しています。JIS規格十字穴(プラスねじ)の「#0(ゼロ番)」で#0+ドライバーで廻すことができます。0番皿小ねじ頭部サイズにの異なる「1種」と「3種」があります。1種の方がより小さく、JIS皿頭との比較で頭部が50%程低くなります。頭部のテーパー角は90°、ピッチはメートル並目です。皿頭は他と異なりねじ長さに頭部を含めます。
マイクロねじは狭所、精密箇所などに使用され、小型高密度化や軽量化の達成に役立ちます。
ねじコンシェルは皿小ねじのほか、なべ頭、ラミクス®、タップタイト等の0番小ねじラインナップで多様なニーズに対応します。

お得な袋入りはこちらへ。

・全国一律送料880円(税込)
※ただし一部寸切商品は1,320円(税込)
・11,000円(税込)以上で送料無料!
※返品について
お客様都合での返品は承りかねます。
返品に関してはこちらよりご確認ください。

・本サイトでの最低取引価格は「税込550円~」となります。
なお、「税込550円未満のご注文」に関しては、
「税込550円」として処理させていただきます。
・問合せ商品は、後日当社からご連絡します。
・小数点以下切り上げです。
※箱単価=1本当たりの価格です。

サイズ 材質 表面処理 D(基準) H(基準) m(参考) - - - - 箱単価 入数 ばら
売り
ばら
単価
税抜
価格
発送目安 数量
(個)
価格
M1.6×8 鉄(または標準材) ニッケル 2.4 0.5 1.65 1.12 5000 × - 問合せ 0
M1.7×2 鉄(または標準材) ニッケル 2.5 0.5 1.7 1.24 10000 × - 1営業日 0
M1.7×2.5 鉄(または標準材) ニッケル 2.5 0.5 1.7 1.12 10000 × - 問合せ 0
M1.7×3 鉄(または標準材) ニッケル 2.5 0.5 1.7 1.12 10000 × - 1営業日 0
M1.7×3.5 鉄(または標準材) ニッケル 2.5 0.5 1.7 1.12 10000 × - 1営業日 0
M1.7×4 鉄(または標準材) ニッケル 2.5 0.5 1.7 1.12 10000 × - 1営業日 0
M1.7×5 鉄(または標準材) ニッケル 2.5 0.5 1.7 1.12 10000 × - 1営業日 0
M1.7×5.5 鉄(または標準材) ニッケル 2.5 0.5 1.7 1.12 5000 × - 1営業日 0
サイズ 材質 表面処理 D(基準) H(基準) m(参考) - - - - 箱単価 入数 ばら
売り
ばら
単価
税抜
価格
発送目安 数量
(個)
価格
M1.7×6 鉄(または標準材) ニッケル 2.5 0.5 1.7 1.12 5000 × - 1営業日 0
M1.7×10 鉄(または標準材) ニッケル 2.5 0.5 1.7 1.29 5000 × - 1営業日 0
M2.0×2.5 鉄(または標準材) ニッケル 3 0.6 2 1.32 10000 × - 1営業日 0
M2.0×3 鉄(または標準材) ニッケル 3 0.6 2 1.14 10000 × - 1営業日 0
M2.0×3.5 鉄(または標準材) ニッケル 3 0.6 2 1.14 10000 × - 1営業日 0
M2.0×4 鉄(または標準材) ニッケル 3 0.6 2 1.14 5000 × - 1営業日 0
M2.0×5 鉄(または標準材) ニッケル 3 0.6 2 1.14 5000 × - 1営業日 0
M2.0×5.5 鉄(または標準材) ニッケル 3 0.6 2 1.14 5000 × - 1営業日 0
サイズ 材質 表面処理 D(基準) H(基準) m(参考) - - - - 箱単価 入数 ばら
売り
ばら
単価
税抜
価格
発送目安 数量
(個)
価格
M2.0×6 鉄(または標準材) ニッケル 3 0.6 2 1.14 5000 × - 1営業日 0
M2.0×7 鉄(または標準材) ニッケル 3 0.6 2 1.14 5000 × - 1営業日 0
M2.5×3 鉄(または標準材) ニッケル 3.8 0.8 2.2 1.40 5000 × - 1営業日 0
M2.5×4 鉄(または標準材) ニッケル 3.8 0.8 2.2 1.40 5000 × - 1営業日 0
M2.5×5 鉄(または標準材) ニッケル 3.8 0.8 2.2 1.40 5000 × - 1営業日 0
M2.5×6 鉄(または標準材) ニッケル 3.8 0.8 2.2 1.40 5000 × - 1営業日 0
M2.5×10 鉄(または標準材) ニッケル 3.8 0.8 2.2 1.92 5000 × - 問合せ 0
M2.6×3 鉄(または標準材) ニッケル 4 0.8 2.2 1.40 5000 × - 1営業日 0

この商品を購入した方におすすめ

・全国一律送料880円(税込)
※ただし一部寸切商品は1,320円(税込)
・11,000円(税込)以上で送料無料!
※返品について
商品到着後、5日以内に着払いでご返品ください。

・本サイトでの最低取引価格は「税込550円~」となります。
なお、「税込550円未満のご注文」に関しては、
「税込550円」として処理させていただきます。
・お問合せ商品は、後日当社からご連絡します。
・小数点以下切り上げです。
※箱単価=1本当たりの価格です。

▲ページのトップに戻る