

| 材質 | 鉄(または標準材)、ステンレス、黄銅(真鍮) |
|---|---|
| 表面処理 | 生地、三価クロメート、三価ブラック、ニッケル、黒亜鉛 |
| サイズ | M1.0~M2.6 |
| 規格 | - - - |
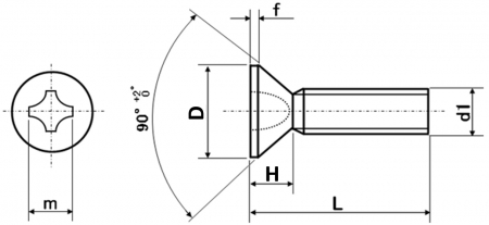
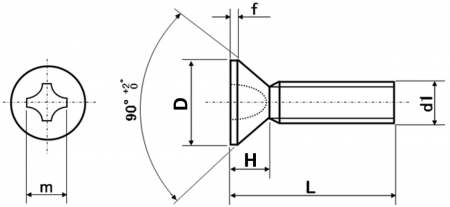
| 特長 | マイクロねじと呼ばれる日本写真機工業規格(JCIS)「精密機器用十字穴付き小ねじ」が元となるねじで、0番皿小ねじ、精密ねじ、カメラネジ、眼鏡ビスなどとも呼ばれます。カメラやメガネはもちろん、PC・スマホ・タブレット等の小型精密機器や電子機器へ使用されています。ザグリ加工が必要ですが締結がコンパクトでフラットに仕上がります。 「0番」は駆動溝(リセス)のサイズを示しています。JIS規格十字穴(プラスねじ)の「#0(ゼロ番)」で#0+ドライバーで廻すことができます。0番皿小ねじ頭部サイズにの異なる「1種」と「3種」があります。1種の方がより小さく、JIS皿頭との比較で頭部が50%程低くなります。頭部のテーパー角は90°、ピッチはメートル並目です。皿頭は他と異なりねじ長さに頭部を含めます。 マイクロねじは狭所、精密箇所などに使用され、小型高密度化や軽量化の達成に役立ちます。 ねじコンシェルは皿小ねじのほか、なべ頭、ラミクス®、タップタイト等の0番小ねじラインナップで多様なニーズに対応します。 お得な袋入りはこちらへ。 |
|---|