


| 材質 | 鉄(または標準材) |
|---|---|
| 表面処理 | 三価クロメート |
| サイズ | 4~6 |
| 規格 | - - - |
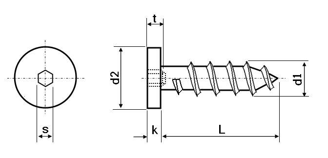
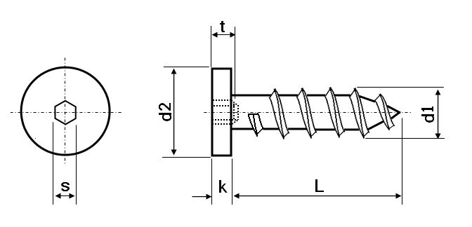
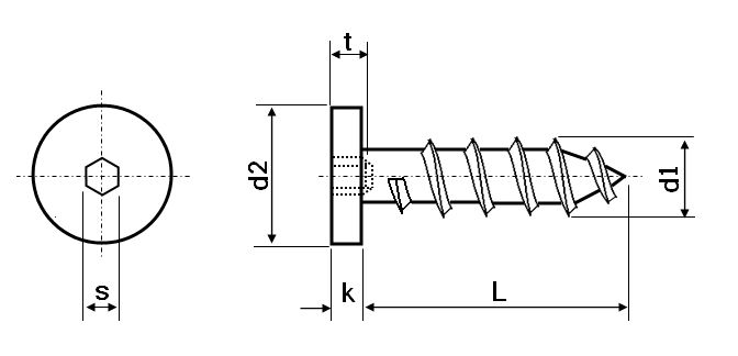
| 特長 | 薄鋼板等の下穴にセルフタッピングしてねじ込める「タッピンねじ」(タッピングねじ)です。六角穴付極低頭タッピングビスとも呼ばれ、頭部が薄い(M4以上は頭部高さ1.5ミリ統一)極低頭キャップなので座ぐり無しでも出っ張りが気になりません。 タッピンねじは「浸炭焼き入れ」という熱処理により表面硬度を上げ、下穴へねじ込まれる時に自らねじ山を相手材へ形成して締結します。そのためナットやめねじ立ては不要です。一方、締結の際にはねじ込み抵抗は大きくなるなり大きな締め付けトルクが必要になります。プラスドライバーでのねじ込みはカムアウトし易くリセスをなめる恐れがありますが、六角穴ですのでカムアウトせず、なめにくいのでより強いトルクでの締結が可能です。 タッピング1種(A形)はピッチが最も荒く先端部が45°に尖った先端を持ち1.2舒焚爾稜鋼板、木材・ハードボードや石綿、樹脂等に使用します。先端が太い2種(B0・B1型)はピッチは細かく5舒焚爾慮板に、3種(C0・C1型)も先端は太くピッチが最も細かくより厚板に対応します。 |
|---|