


| 材質 | 鉄(または標準材) |
|---|---|
| 表面処理 | 三価クロメート |
| サイズ | 3~4 |
| 規格 | - - - |
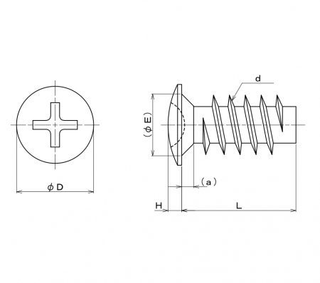
| 特長 | 締付面が極力平面になるように頭部の高さを極限まで低くしたタップタイト、ねじの胴部分がおにぎり形状の三角形になったセルフタッピングするタッピングねじです。極薄頭部なのでなべ頭やトラス頭とは異なり締付後の頭部の出っ張りや引っ掛かりがほとんど気になりません。また皿頭のような事前のザグリ加工せずにほぼ面一となるので工数削減にも貢献します。 胴部分が三角形状のタップタイトは通常のタッピングねじと同様にねじ込まれることで自ら相手材を塑性変形させ、めねじを形成しながら締結しますが、その軸形状により1.通常のタッピングねじに比べてねじ込み抵抗が少ない、2.めねじ材が収縮する事により緩みにくい、という優れた特徴を持ちます。 Pタイプは可塑性樹脂専用で、非常にスピーディーに締結出来る粗いピッチの2条ねじです。ねじ山角度45°のメートルねじの60°より鋭いねじ山と首下の不完全ねじ部が可塑性樹脂のワレ・カケを防ぎ、焼付せず、繰り返し使用してもねじバカがありません。 ラミクス・ラミメイトは日東精工の登録商標です。 |
|---|