


| 材質 | SUS304CUN |
|---|---|
| 表面処理 | 生地 |
| サイズ | M6~M16 |
| 規格 | - - - |
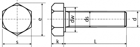
| 特長 | 軸部分全体にねじが切られている全ねじタイプの六角ボルトです。 ステンレスはクロム(Cr)、またはクロムとニッケル(Ni)を含む、錆びにくい合金鋼です。クロムが鉄(Fe)より先に酸化し、極薄い“不動態皮膜”と呼ばれる自己再生する保護酸化皮膜を表層に形成します。 「SUS304CUN®(CU:銅N:窒素)」を使用。オーステナイト系ステンレスながら熱処理無し、冷間圧造のみで高強度(引張強度900N/㎟ 耐力700N/㎟)を達成。“8.8”と同等の強度を誇り、耐食性も向上しています。一般ステンレス品よりサイズダウンが可能。また向上した耐熱性、耐食性によりメンテナンスの省力化が出来、トータルコストダウンに貢献します。車両、機械、バルブ等の締結部の長寿命化・小型軽量化に最適です。 半ねじタイプはこちら。 ※電蝕を避け性能を十分発揮させるためA2-100 ナット、HV300 ワッシャーと組み合わせて下さい。 ※頭部は新JIS規格(本体規格)に基づき、二面幅より小さい直径の座面があるワッシャーフェイス付になります。 また六角対辺はM10が16弌M12は18个砲覆蠅泙后 |
|---|