

| 材質 | 鉄(または標準材) |
|---|---|
| 表面処理 | ユニクロ、三価クロメート |
| サイズ | 3~6 |
| 規格 | - JIS B 1122 - |
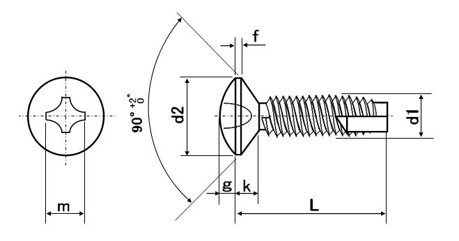
| 特長 | C1丸皿タッピンとも呼ばれ、主に構造用鋼・鋳物・非鉄鋳物・5舒幣紊慮板に使用されるタッピングねじ(タッピンねじ)です。丸皿頭は座面が円錐形状をしてねじ頭部にやや丸みがあり、締結の際には皿グリ(ザグリ加工)をするか、ローゼットワッシャーを併用します。締結後は引っ掛かりが無く安全で見た目も優しい為、蝶番やドアノブ、把手やサッシの取付けなど人目に付き触れることのある場所に化粧ねじとして使用されます。 C1タッピングは軸の先端部が絞られ、先を1/4カットして刃を持たせてねじ込みの際の抵抗が少ないという特徴があります。ねじピッチは小ねじと同じメートルねじ並目でタッピングねじ中最小です。下穴へ自らねじ山を形成するセルフタップタッピングを行うので、ナットの組付けやめねじ立ての工程を省けコストダウンにつながります。 ※「サイズ」の「呼び径×長さL」です。丸皿頭の「長さ」はつばの部分からネジ部先端までとなります。丸み部分の厚みは含みません。 下穴がタッピングねじには必要です。ドリルねじは下穴が要りません。 |
|---|