

| 材質 | 鉄(または標準材)、ステンレス |
|---|---|
| 表面処理 | 生地、ユニクロ、三価クロメート |
| サイズ | 3~8 |
| 規格 | ISO7050 JIS B 1122 - |
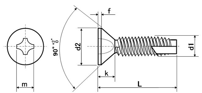
| 特長 | C1皿タッピンやC1皿と呼ぶ皿頭のタッピン3種(C1)です。皿頭は締結の際にザグリ加工をするか、ローゼットワッシャーを併用します。 3種(C0・C1)は軸先端がテーパーになっており主に5舒幣紊慮板・鋳物・非鉄鋳物・構造用鋼に、またメートルねじ並目と同じ細かなピッチである事から振動箇所へも使用します。C1はC0の軸の先端1/4周分をカットして刃としてねじ込み抵抗を低減しています。2種(B0・B1)は5舒焚爾慮板や非金属・樹脂・硬質ゴム等に、1.2舒焚爾稜鋼板・ハードボード・樹脂等には1種(A型)を使用します。 ねじのみで締結が完結するように下穴にセルフタッピングしナットやタップ立ての工程が省けます。また、ねじ山嵌合部の遊びが無いことで緩みや脱落が生じ難くなっています。但し、ねじ込み抵抗は大きくなる為、十字穴ドライブはカムアウトし易くリセスをなめる事の無い様に注意が必要です。 軸形状で抵抗を減らしたタップタイトや下穴無しで使えるドリルねじも便利です。 「サイズ」の「呼び径×長さ」の「長さ」に皿頭は頭部厚を含みます。 |
|---|