

| 材質 | 鉄(または標準材)、ステンレス |
|---|---|
| 表面処理 | 生地、三価クロメート |
| サイズ | M3~M6 |
| 規格 | - - - |
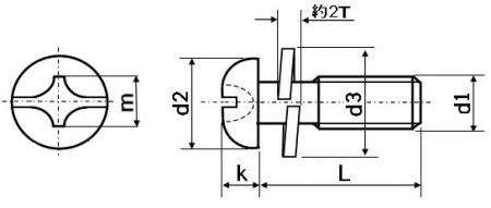
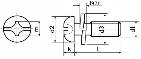
| 特長 | 電気の端子台、カバープレートなどで見かける、+ドライバーでも−ドライバーでも回せる+-穴リセス付きのなべ小ねじのセムス、スプリングワッシャーを組み込んだ「座金組込みねじ」です。+リセスがなめてしまってもカムアウトしにくい−ドライバーで回せる、トラブルに強い便利なねじです。 セムスは圧造というねじの製法と工程の工夫によって誕生しました。ヘッダー加工で成型したねじ下(ねじ山のないねじ)に転造でねじ山を刻む前に座金を組み込みます。転造することでねじの山は座金内径より盛り上がるので座金は脱落せず、組込みの手間も省けて作業性が向上します。 セムス流通の当初[P=2]はシングルセムス【SWとねじの2ピース(piece)】である事を意味していました。現在アルファベットは座金の種類を、数字1〜4でその組み合わせを表します。数字と部品数は必ずしも一致しません。JIS平座金組込みを[P=1]、SW組込みを[P=2]、SWと旧JIS平座金組込みは[P=3]、SWとJIS小型平座金組み込みは[P=4]と呼び、また平座金がISO規格の場合はそれぞれ[I=1][I=3][I=4]とします。 |
|---|