

| 材質 | 鉄(または標準材)、ステンレス |
|---|---|
| 表面処理 | 生地、三価クロメート |
| サイズ | M3~M6 |
| 規格 | - - - |
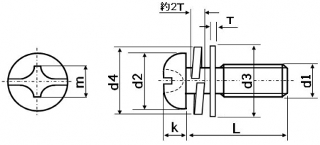
| 特長 | 利便性の高い+ドライバーとカムアウトしにくく高トルクで回せる−ドライバー、どちらも使える便利な+-穴リセス付きのなべ小ねじにスプリングワッシャーとJIS小型平座金を組み込んだセムス(座金組込みねじ)です。カバープレート、端子台など電気関連で見かけることの多いねじです。 セムスの呼び名はアルファベットが座金の種類を、数字1〜4は座金の組み合わせを指します。[P=1]はJIS平座金組込みセムスを、[P=2]はSW組込み、[P=3]はSWと旧JIS平座金、本品[P=4]はSWとJIS小型平座金を組み込んだ物であることを示しています。平座金がISO規格ならそれぞれを[I=1][I=3][I=4]とします。 座金がねじと一体で外れないのはねじの製造工程の工夫によります。線材からヘッダー加工で成型したねじブランク(ねじ山のないねじ、「ねじ下」と同じ)へ座金を組み込みます。転造でねじ山を成型するとねじの「山」は盛り上がり、ねじの山径が座金の内径より大きくなるので座金は外れなくなります。座金の組込みも必要なく作業性が向上します。 →平座金の規格一覧はこちら |
|---|