

| 材質 | 鉄(または標準材) |
|---|---|
| 表面処理 | ニッケル、銅メッキ |
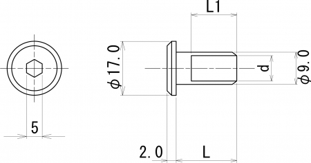
| サイズ | M6×12~M6×17 |
| 規格 | - - - |
| 特長 | ジョイントコネクターボルト(JCB)シリーズと組み合わせる為にデザインされたキャップ式飾りナット、袋化粧ナットです。飾りキャップのリセス形状は対辺5个力山儼蝓JCB-A(六角穴対辺5)と組み合わせるなら締結後に露出する頭部の外観・形状が全く同一になり、両面の外観を美しく統一することが出来ます。六角穴リセスのJCB-A(六角穴)は従来品に比べ3から4倍の強度で締結出来るため、大型の構造体や重量物となるモジュール化されたシステム家具やユニット型のキャビネットへの使用に最適です。ノックダウン方式組立家具にも勿論使用できます。またボルト・ナット共に同じ下穴径として作業能率を向上させる為、胴径はφ9とJCB-Aの首下と同一になっています。 長さは12个17个2種類、また表面仕上げはニッケルめっき・ブロンズめっきの2色のから選択でき、ねじの呼びがM6に統一されているためJCB-B(+-)やJCB-Cにも使用可能です。 飾りキャップの六角穴対辺が4个JCN-Bや+・−どちらのドライバーでも回せる形状のジョイントコネクター 飾りナット(+-)のご用意も有ります。 |
|---|