

| 材質 | 鉄(または標準材) |
|---|---|
| 表面処理 | 三価クロメート |
| サイズ | 3~4 |
| 規格 | - - - |
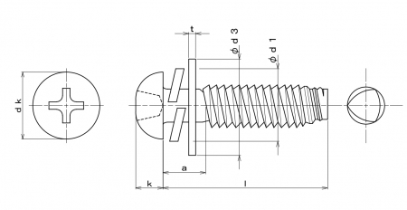
| 特長 | 胴部分が三角形(おにぎり形状)になっているなべ頭タップタイトにばね座金とJIS小型平座金が組み込まれています。Sタイプはピッチが小ねじと同じメートルねじ(Mねじ)、鋼板や構造用鋼、ダイキャストといった金属材に使用します。Sタイプを抜き取った後には小ねじをねじ込めます。めねじ加工やナットが必要ない、下穴にねじ込むだけでセルフタッピングし締結するタッピングねじの利点はそのままに、ねじ込み抵抗が少なく、ねじ込み後は相手材の伸縮復元力を利用して緩みにくい、といった特徴があります。 ねじ・ボルトにワッシャー(座金)を予め組み込んだものをセムスと呼び、多様なねじ・ボルトと座金の組み合わせがありP・I等の英文字と1∼4の数字の組み合わせで内容を表します。ねじ山を刻む転造工程でねじ山は元の軸径より盛り上がる事を利用し、転造工程の直前に組み込むと座金は外れません。座金セットの手間が無くねじ込み作業の効率が向上し自動機にも対応します。メンテナンス作業時も座金が脱落する心配がありません。 →平座金の規格一覧はこちら |
|---|