

| 材質 | SUS410 |
|---|---|
| 表面処理 | 生地 |
| サイズ | 4~4 |
| 規格 | - - - |
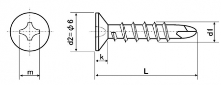
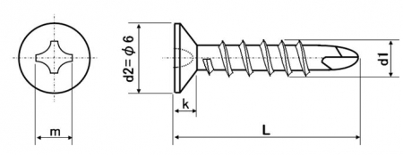
| 特長 | 高品質のミヤガワブランドのドリルねじです。 FRXシリーズのドリルねじはMRXドリルねじ(下穴無しで板厚12mmの鉄板への打ち込みも可能)の抜群の切れ味を受け継ぎつつSUS410を使用し優れた硬化性や靱性を持たせ低コストでトータルバランスに優れています。こちらの皿頭は皿ドリルとも呼ばれ、頭部を相手材に埋め込むためにザグリ加工が必要です。頭部径が6个両頭タイプなので薄物金物取り付け等に便利です。汎用性の高いなべ頭、高トルクで締結できるHEX(六角頭)など多様なタイプから目的に応じてお選びいただけます。 ドリルネジはタッピンねじ先端部がドリル刃となっているため、下穴あけ・タップ立て(めねじ加工)・締結をねじ一本で行え、部材を鋼板等に止める締結部品として建設や金属製品の組立等に利用されています。下穴加工・めねじ立ての工程を省け、ドリル・タップ等の工具が不要で現場の作業者への負担も減りコスト削減にも貢献します。 サイズは「呼び径(d1)×呼び長さ(L)」で呼び長さに皿頭は頭部を含みます。 適用最大板厚は4×10は1.2、他は2.3个任后 |
|---|