

| 材質 | 鉄(または標準材)、ステンレス | 
|---|---|
| 表面処理 | 生地、三価クロメート、三価ブラック | 
| サイズ | 2~6 | 
| 規格 | - JIS B 1122 -  | 
    
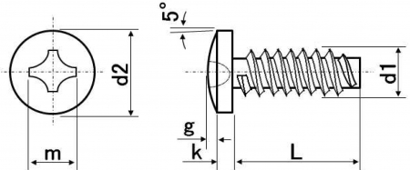
| 特長 | B0バインドタッピンやB0バインドとも呼ばれます。頭部が凸レンズの端を縁取り(英binding)したような少し厚みのある形状が「バインド」で着座面はフラット、なべ頭より着座面積が広く装飾目的で使用されることもあります。 B0タイプはタッピン2種と分類され、薄鋼板または5mm以下の厚板・樹脂・硬質ゴム等に使用します。比較的ピッチは粗く軸の先端2〜2.5ピッチ分はテーパー(先細り)です。構造用鋼や鋳物にも使えるB1タイプは先端をカットした「刃」が相手材を切削してタップ立てをし、ねじ込み抵抗が小さくなります。 タッピングねじ(タッピンねじ)は下穴が必要ですが、ねじ込まれると自ら相手材下穴へめねじを形成して(セルフタッピング)締結するのでナットやタップ立てが不要です。また塑性変形しためねじとの嵌め合いに遊びが無く、緩みや脱落が起き難くなります。また締結時に切子はほとんど出ません(2種B1・3種C1を除く)。締結の際のねじ込み抵抗は大きくなります。 ねじ込み抵抗の少ないタップタイト、下穴無しで締結できるドリルねじもご利用ください。  | 
  
|---|