11月1日よりドリルねじ(KRS)の割引キャンペーンを実施します!                                    ★★ ねじコンシェル.comは全品 税込 価格です ★★                                    リクエスト商品も受付中です。お気軽にご相談ください。                                    取扱い商品、ドンドン拡充中です。                                    

商品名/型番検索

ショッピングカート

0点の商品が入っています。

合計 0円(税込)

取り扱い商品一覧

タッピングねじ

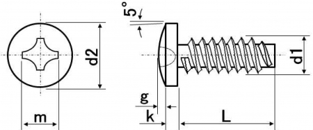
(+)B0バインド タッピング(2種)

材質 鉄(または標準材)、ステンレス
表面処理 生地、三価クロメート、三価ブラック
サイズ 2~6
規格 -
JIS B 1122
-
特長 B0バインドタッピンやB0バインドとも呼ばれます。頭部が凸レンズの端を縁取り(英binding)したような少し厚みのある形状が「バインド」で着座面はフラット、なべ頭より着座面積が広く装飾目的で使用されることもあります。
B0タイプはタッピン2種と分類され、薄鋼板または5mm以下の厚板・樹脂・硬質ゴム等に使用します。比較的ピッチは粗く軸の先端2〜2.5ピッチ分はテーパー(先細り)です。構造用鋼や鋳物にも使えるB1タイプは先端をカットした「刃」が相手材を切削してタップ立てをし、ねじ込み抵抗が小さくなります。
タッピングねじ(タッピンねじ)は下穴が必要ですが、ねじ込まれると自ら相手材下穴へめねじを形成して(セルフタッピング)締結するのでナットやタップ立てが不要です。また塑性変形しためねじとの嵌め合いに遊びが無く、緩みや脱落が起き難くなります。また締結時に切子はほとんど出ません(2種B1・3種C1を除く)。締結の際のねじ込み抵抗は大きくなります。

ねじ込み抵抗の少ないタップタイト、下穴無しで締結できるドリルねじもご利用ください。

・全国一律送料880円(税込)
※ただし一部寸切商品は1,320円(税込)
・11,000円(税込)以上で送料無料!
※返品について
お客様都合での返品は承りかねます。
返品に関してはこちらよりご確認ください。

・本サイトでの最低取引価格は「税込550円~」となります。
なお、「税込550円未満のご注文」に関しては、
「税込550円」として処理させていただきます。
・問合せ商品は、後日当社からご連絡します。
・小数点以下切り上げです。
※箱単価=1本当たりの価格です。

サイズ 材質 表面処理 d2 k+g d1 MAX d1MIN m (約) 十字穴の番号 - 箱単価 入数 ばら
売り
ばら
単価
税抜
価格
発送目安 数量
(個)
価格
4×6 ステンレス 生地 8.3 2.5 4.0 3.85 4.3 2 5.21 1000 × - 1営業日 0
4×8 ステンレス 生地 8.3 2.5 4.0 3.85 4.3 2 5.66 1000 × - 1営業日 0
4×10 ステンレス 生地 8.3 2.5 4.0 3.85 4.3 2 5.02 1000 × - 1営業日 0
4×12 ステンレス 生地 8.3 2.5 4.0 3.85 4.3 2 5.35 1000 × - 1営業日 0
4×14 ステンレス 生地 8.3 2.5 4.0 3.85 4.3 2 6.49 500 × - 1営業日 0
4×16 ステンレス 生地 8.3 2.5 4.0 3.85 4.3 2 6.73 500 × - 1営業日 0
4×20 ステンレス 生地 8.3 2.5 4.0 3.85 4.3 2 7.31 500 × - 1営業日 0
4×25 ステンレス 生地 8.3 2.5 4.0 3.85 4.3 2 8.34 500 × - 1営業日 0
サイズ 材質 表面処理 d2 k+g d1 MAX d1MIN m (約) 十字穴の番号 - 箱単価 入数 ばら
売り
ばら
単価
税抜
価格
発送目安 数量
(個)
価格
4×30 ステンレス 生地 8.3 2.5 4.0 3.85 4.3 2 9.48 500 × - 1営業日 0
5×12 ステンレス 生地 10.3 3.1 5.0 4.85 5.0 2 10.73 500 × - 問合せ 0
5×16 ステンレス 生地 10.3 3.1 5.0 4.85 5.0 2 11.85 500 × - 1営業日 0
5×20 ステンレス 生地 10.3 3.1 5.0 4.85 5.0 2 12.42 400 × - 1営業日 0
6×12 ステンレス 生地 12.4 3.7 6.0 5.85 6.3 3 17.62 200 × - 1営業日 0
6×16 ステンレス 生地 12.4 3.7 6.0 5.85 6.3 3 19.39 200 × - 1営業日 0

この商品を購入した方におすすめ

・全国一律送料880円(税込)
※ただし一部寸切商品は1,320円(税込)
・11,000円(税込)以上で送料無料!
※返品について
商品到着後、5日以内に着払いでご返品ください。

・本サイトでの最低取引価格は「税込550円~」となります。
なお、「税込550円未満のご注文」に関しては、
「税込550円」として処理させていただきます。
・お問合せ商品は、後日当社からご連絡します。
・小数点以下切り上げです。
※箱単価=1本当たりの価格です。

▲ページのトップに戻る