

| 材質 | 鉄(または標準材)、ステンレス |
|---|---|
| 表面処理 | 生地、ユニクロ、三価クロメート、三価ブラック |
| サイズ | 2~6 |
| 規格 | - - - |
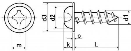
| 特長 | タッピングねじ(タッピンねじ)は相手材の下穴へねじ山をセルフタップタッピングしながら締結し、ナットやめねじ立てが必要ありません。熱処理(浸炭焼き入れ)により靭性は残しつつ表面を硬化したことで、塑性変形によりねじ山を相手材へ成型しながら締結出来ます。こちらはAなべワッシャーヘッドとも呼ばれ、なべ頭へ平座金を一体にしたものです。着座面が広く圧力が分散し、高トルクでの締め付けによるワークの変形や座面陥没を防ぎ緩み難くなります。また、ワッシャーの組み込みの手間を省き、ミスを防ぎます。 タッピンねじには大きく3種類に分けられます。A型(1種)は最も一般的な形状で先端は尖りピッチが一番荒く、ハードボード、木材、石綿、樹脂、1.2舒焚爾稜鋼板などの締結に使用します。先端が太いB0型(2種) は5舒焚爾慮板に、B形同様先端が太く一番ピッチの細かなC0型(3種)はより厚板に対応します。先端の1/4をカットし刃としたB1やC1は、タップの様にめねじを切削加工で形成出来るので、鋳物や硬い構造用鋼にも対応します。 |
|---|