2月1日よりナイロン化粧ねじ(ナット)の割引キャンペーンを実施します!                                    ★★ ねじコンシェル.comは全品 税込 価格です ★★                                    リクエスト商品も受付中です。お気軽にご相談ください。                                    取扱い商品、ドンドン拡充中です。                                    

商品名/型番検索

ショッピングカート

0点の商品が入っています。

合計 0円(税込)

取り扱い商品一覧

タッピングねじ

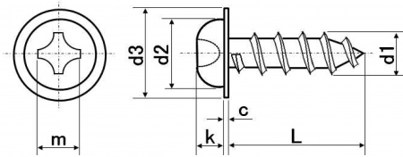
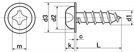
(+)Aなべ タッピング ワッシャーヘッド(1種)

材質 鉄(または標準材)、ステンレス
表面処理 生地、ユニクロ、三価クロメート、三価ブラック
サイズ 2~6
規格 -
-
-
特長 タッピングねじ(タッピンねじ)は相手材の下穴へねじ山をセルフタップタッピングしながら締結し、ナットやめねじ立てが必要ありません。熱処理浸炭焼き入れ)により靭性は残しつつ表面を硬化したことで、塑性変形によりねじ山を相手材へ成型しながら締結出来ます。こちらはAなべワッシャーヘッドとも呼ばれ、なべ頭平座金を一体にしたものです。着座面が広く圧力が分散し、高トルクでの締め付けによるワークの変形や座面陥没を防ぎ緩み難くなります。また、ワッシャーの組み込みの手間を省き、ミスを防ぎます。
タッピンねじには大きく3種類に分けられます。A型(1種)は最も一般的な形状で先端は尖りピッチが一番荒く、ハードボード、木材、石綿、樹脂、1.2舒焚爾稜鋼板などの締結に使用します。先端が太いB0型(2種) は5舒焚爾慮板に、B形同様先端が太く一番ピッチの細かなC0型(3種)はより厚板に対応します。先端の1/4をカットし刃としたB1C1は、タップの様にめねじを切削加工で形成出来るので、鋳物や硬い構造用鋼にも対応します。

・全国一律送料880円(税込)
※ただし一部寸切商品は1,320円(税込)
・11,000円(税込)以上で送料無料!
※返品について
お客様都合での返品は承りかねます。
返品に関してはこちらよりご確認ください。

・本サイトでの最低取引価格は「税込550円~」となります。
なお、「税込550円未満のご注文」に関しては、
「税込550円」として処理させていただきます。
・問合せ商品は、後日当社からご連絡します。
・小数点以下切り上げです。
※箱単価=1本当たりの価格です。

サイズ 材質 表面処理 d2 d3 k d max d min 十字穴の番号 - 箱単価 入数 ばら
売り
ばら
単価
税抜
価格
発送目安 数量
(個)
価格
2.6×8 鉄(または標準材) 三価ブラック 4.5 6.5 2.1 2.7 2.6 1 2.30 2500 × - 1営業日 0
2.6×10 鉄(または標準材) 三価ブラック 4.5 6.5 2.1 2.7 2.6 1 2.50 2000 × - 問合せ 0
2.6×12 鉄(または標準材) 三価ブラック 4.5 6.5 2.1 2.7 2.6 1 2.68 2000 × - 1営業日 0
3×6 鉄(または標準材) 三価ブラック 5.5 8 2.2 3.1 3 2 2.47 1800 × - 1営業日 0
3×8 鉄(または標準材) 三価ブラック 5.5 8 2.2 3.1 3 2 2.47 1500 × - 1営業日 0
3×10 鉄(または標準材) 三価ブラック 5.5 8 2.2 3.1 3 2 2.60 1200 × - 1営業日 0
3×12 鉄(または標準材) 三価ブラック 5.5 8 2.2 3.1 3 2 2.73 1800 × - 1営業日 0
3×14 鉄(または標準材) 三価ブラック 5.5 8 2.2 3.1 3 2 3.15 1600 × - 1営業日 0
サイズ 材質 表面処理 d2 d3 k d max d min 十字穴の番号 - 箱単価 入数 ばら
売り
ばら
単価
税抜
価格
発送目安 数量
(個)
価格
3×16 鉄(または標準材) 三価ブラック 5.5 8 2.2 3.1 3 2 3.15 1500 × - 1営業日 0
3×20 鉄(または標準材) 三価ブラック 5.5 8 2.2 3.1 3 2 3.66 1000 × - 1営業日 0
3×25 鉄(または標準材) 三価ブラック 5.5 8 2.2 3.1 3 2 4.34 800 × - 1営業日 0
4×8 鉄(または標準材) 三価ブラック 7 10 3 4.15 4 2 3.68 1200 × - 1営業日 0
4×10 鉄(または標準材) 三価ブラック 7 10 3 4.15 4 2 3.77 1000 × - 1営業日 0
4×12 鉄(または標準材) 三価ブラック 7 10 3 4.15 4 2 3.99 1000 × - 1営業日 0
4×15 鉄(または標準材) 三価ブラック 7 10 3 4.15 4 2 4.56 800 × - 1営業日 0
4×16 鉄(または標準材) 三価ブラック 7 10 3 4.15 4 2 4.56 800 × - 1営業日 0
サイズ 材質 表面処理 d2 d3 k d max d min 十字穴の番号 - 箱単価 入数 ばら
売り
ばら
単価
税抜
価格
発送目安 数量
(個)
価格
4×20 鉄(または標準材) 三価ブラック 7 10 3 4.15 4 2 5.13 700 × - 1営業日 0
4×25 鉄(または標準材) 三価ブラック 7 10 3 4.15 4 2 5.99 500 × - 1営業日 0
4×30 鉄(または標準材) 三価ブラック 7 10 3 4.15 4 2 6.99 400 × - 1営業日 0
4×35 鉄(または標準材) 三価ブラック 7 10 3 4.15 4 2 8.12 350 × - 1営業日 0
4×40 鉄(または標準材) 三価ブラック 7 10 3 4.15 4 2 9.39 500 × - 1営業日 0
4×50 鉄(または標準材) 三価ブラック 7 10 3 4.15 4 2 12.43 400 × - 1営業日 0
4×60 鉄(または標準材) 三価ブラック 7 10 3 4.15 4 2 17.84 250 × - 1営業日 0
5×10 鉄(または標準材) 三価ブラック 9 12 3.5 5.2 5 2 7.06 600 × - 1営業日 0

この商品を購入した方におすすめ

・全国一律送料880円(税込)
※ただし一部寸切商品は1,320円(税込)
・11,000円(税込)以上で送料無料!
※返品について
商品到着後、5日以内に着払いでご返品ください。

・本サイトでの最低取引価格は「税込550円~」となります。
なお、「税込550円未満のご注文」に関しては、
「税込550円」として処理させていただきます。
・お問合せ商品は、後日当社からご連絡します。
・小数点以下切り上げです。
※箱単価=1本当たりの価格です。

▲ページのトップに戻る