

| 材質 | 鉄(または標準材)、ステンレス、アルミ |
|---|---|
| 表面処理 | 生地、三価クロメート |
| サイズ | APH315~SPH1260 |
| 規格 | - - - |
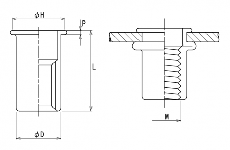
| 特長 | 直タップできない肉厚の薄い金属板や樹脂素材等に容易にめねじを取り付ける事の出来るブラインドナットです。先端が閉じていないオープンタイプはねじ長を自由に選ぶことが出来ます。 母材薄板の下穴へナッターと呼ばれる工具を使い挿入しカシメます。溶接ナットや板金によるバーリング加工とは異なり大掛かりな装置は不要で初心者でも簡単に作業が可能です。片側からだけの施工作業でスピーディーにめねじを敷設しねじ締結出来るので(片側締結工法)、溶接出来ない素材や裏側へ手を入れられない閉鎖断面、補修やDIYでも活躍します。母材を傷めず表面処理後の取り付けも出来るので製品組立の最終工程での取り付けが可能です。組立ラインの自動化に適しており、組立工程を簡略化し時短も図れるのでトータルコストダウンに有効です。 頭部フランジがより小さい"スモールフランジタイプ"や、ねじ側にオイルや水を通さない袋状になった“シールドタイプ"もあります。 サイズ表示(例)SPH315の315は呼び径がM3、推奨締結板厚の上限が1.5个魄嫐します。 |
|---|