

| 材質 | 鉄(または標準材)、ステンレス、SUS410、チタン |
|---|---|
| 表面処理 | 生地、ユニクロ、クロメート、三価クロメート、三価ブラック、ニッケル |
| サイズ | 2~8 |
| 規格 | - JIS B 1122 - |
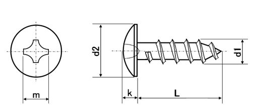
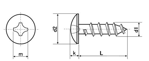
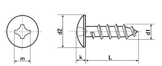
| 特長 | タッピングねじ(またはタッピンねじ 英Self-tapping screw)の頭部が丸い凸型のトラス頭をしていることからAトラスタッピンやAトラスとも呼ばれます。平ワッシャーの様にワークとの着座面が広いのでより高トルクで締付けることが出来るので緩み難くなります。 A形又は1種はタッピンねじの最も一般的な形状で、木ねじの様に先端部が尖ってピッチが荒いのが特徴です。ねじ自ら相手材の下穴にねじ山を塑性変形させて形成しながら締結するので、ナットやめねじ立てが不要です。また緩んだ際にもワークのスプリングバックによる抵抗が脱落を防ぎます。但し、締結時に大きな抵抗が生じる為、大量のねじ締めは電動・エアー工具使用で行います。 A型(1種)は1.2舒焚爾稜鋼板、木材・ハードボードや石綿、樹脂等に使用し、先端が太いB0型(2種) は薄鋼板及び5舒焚爾慮板、C0型(3種)はより厚い厚板に対応します。先端をカットし刃のあるB1・C1は構造用鋼や鋳物に使用出来ます。 軸形状を工夫してねじ込み抵抗を少なくしたタップタイトもご購入頂けます。 |
|---|