


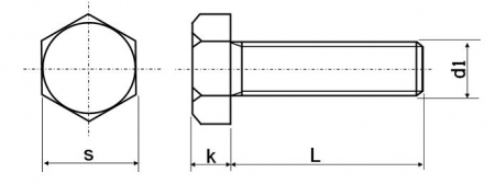
| 材質 | 鉄(または標準材)、10.9、ステンレス |
|---|---|
| 表面処理 | 生地、生地(黒色)、ユニクロ、クロメート、三価クロメート |
| サイズ | M6(P0.75)~M30(P2.0) |
| 規格 | - - - |
| 特長 | 六角ボルトの全ねじ細目(ほそめ)タイプです。 ねじ・ボルトのピッチ(ねじ山間の距離)は呼び径によって規定されており、ボルトが太くなればピッチも大きくなります。一般的なボルト(並目)と比べ、細目はピッチが細かくリード角が小さくなります。その結果、同じトルクで締め付けるとより大きな軸力を得ることが出来、力強く締結でき外力に対して緩みにくいという特性を持ちます。そのため、自動車やバイクなど振動対策が必要な場所で多く採用されています。 また、細かいピッチの特性を生かして薄板に雌ネジを立てての締結や、気密性の必要なところにも利用されます。締付けの微調整も可能です。 押しねじ細目、押しボルト細目などの呼び名もあります。 ※材質欄の『10.9』は強度区分となります。 |
|---|