

| 材質 | 鉄(または標準材) |
|---|---|
| 表面処理 | ユニクロ、三価クロメート |
| サイズ | 4~8 |
| 規格 | - - - |
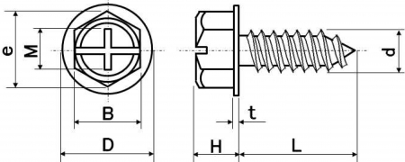
| 特長 | フランジ付きAタッピンとも呼ばれるタッピングねじ(タッピンねじ)で下穴があればセルフタッピングしてねじ締結します。(+-)穴付六角頭(六角アプセット)なので六角スパナ・プラスドライバー・マイナスドライバーなど様々な工具で締付け出来ます。また、フランジ付は座面が広く相手材の座面陥没を防止できます。A形(1種)は薄鋼板(1.2整焚)等に使用します。 熱処理(浸炭焼き入れ)により脆くなることなく表面だけを硬化させ、ねじ込まれることで自ら相手材下穴へめねじを形成して単独でねじ締結し、ナットやめねじ立ては不要です。但し、締結の際のねじ込み抵抗は大きくなり高い締め付けトルクが必要になります。特に十字穴でのねじ込みはカムアウトし易く、ドライブをなめる恐れがあり慎重に締結してください。手番の合ったドライバーを使用してリセスとしっかり噛み合わせ、押す力を8〜7割、回す力は2〜3割とします。動力工具の場合も押し付けを意識します。 軸形状でねじ込み抵抗を低減したタップタイトや下穴も不要なドリルねじもご購入いただけます。 |
|---|