

| 材質 | 鉄(または標準材)、ステンレス |
|---|---|
| 表面処理 | 生地、三価クロメート |
| サイズ | 2~6 |
| 規格 | - JIS B 1122 - |
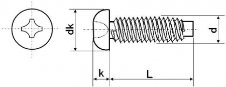
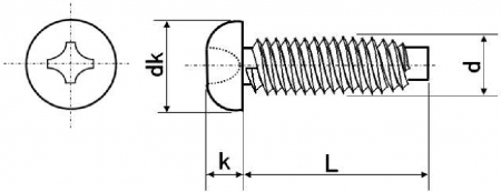
| 特長 | 相手材の下穴へねじ山をセルフタッピングしナット等のめねじ無しで締結できるタッピングねじ(タッピンねじ)です。なべ頭をしておりC0なべタッピンやC0なべとも呼ばれています。塑性変形によりセルフタッピングをする為ねじ込み抵抗は小ねじより大きく、カムアウトやリセスの損傷に注意が必要です。 主に3種類(1種・2種・3種)がタッピンねじとして流通しています。3種(C1/C0)は軸先端部の3ピッチ分程度が少し絞られピッチが一番細かいメートル並目となり5舒幣紊慮板や構造用鋼や鋳物・非鉄鋳物に対応します。1種(A型)はピッチが最も荒く先端部はとがり1.2舒焚爾稜鋼板・木材・ハードボード・樹脂等に使用します。2種(B1/B0)は3種と軸が同形状でピッチは1種、3種の中間の粗さで主に薄鋼板及び厚板(5舒焚次法樹脂・硬質ゴムに適します。また2種B1・3種C1型は先端部分の1/4周をカットした「刃」が相手材を削ってタップ立てするので切子が出ますがねじ込み抵抗は小さくなります。 下穴は必須です。下穴無しでの締結にはドリルねじをご利用ください。 |
|---|