2月1日よりナイロン化粧ねじ(ナット)の割引キャンペーンを実施します!                                    ★★ ねじコンシェル.comは全品 税込 価格です ★★                                    リクエスト商品も受付中です。お気軽にご相談ください。                                    取扱い商品、ドンドン拡充中です。                                    

商品名/型番検索

ショッピングカート

0点の商品が入っています。

合計 0円(税込)

取り扱い商品一覧

ドリルねじ

KRS HEXドリルねじ

材質 鉄(または標準材)、SUS410
表面処理 生地、三価クロメート、ゼロクロメート
サイズ 4~6
規格 -
-
-
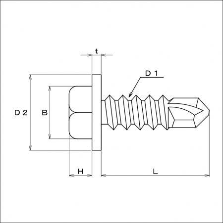
特長 一般にドリルネジやセルフドリリングスクリューと呼ばれ、頭部はソケットレンチやスパナで締め付けるつば付六角頭です。部材を下地(鋼板等)に止めるファスナーとして建築現場や金属製品の組立等に幅広く利用されています。ドリルねじはタッピンねじ先端を鋼板用ドリル刃とした構造の為、部材や下地材の穴あけ・タップ立て(めねじ加工)・締結をねじ一本で行え、下穴加工・めねじ立ての工程やドリル・タップ等の工具を省けて作業性を大きく向上させ、トータルコストダウンに貢献します。
一般用途になべ、太径はHEX、面一に仕上げるには(取付材によりザグリ必要)、ボード・木材等の取付けにリーマ付、金属屋根材等の取付けにシーリングワッシャー付と多様な形状から選択できます。
ねじの呼び径・呼び長さを選定する際には最大働き長さと適用板厚を確認します。『下地材より完全に突き出たねじ山3ピッチ分の長さを除いた有効な締結長さ』が最大働き長さ、先端のテーパー部を含まないドリルの刃先の長さが適応板厚の目安となり締結板厚はそれ以下にします。

・全国一律送料880円(税込)
※ただし一部寸切商品は1,320円(税込)
・11,000円(税込)以上で送料無料!
※返品について
お客様都合での返品は承りかねます。
返品に関してはこちらよりご確認ください。

・本サイトでの最低取引価格は「税込550円~」となります。
なお、「税込550円未満のご注文」に関しては、
「税込550円」として処理させていただきます。
・問合せ商品は、後日当社からご連絡します。
・小数点以下切り上げです。
※箱単価=1本当たりの価格です。

サイズ 材質 表面処理 D1 D2 H B 最大板厚 - - 箱単価 入数 ばら
売り
ばら
単価
税抜
価格
発送目安 数量
(個)
価格
6×50 鉄(または標準材) 三価クロメート 6 13 6.2 9.5 6 16.28 300 × - 1営業日 0
6×60 鉄(または標準材) 三価クロメート 6 13 6.2 9.5 6 20.82 200 × - 1営業日 0
6×65 鉄(または標準材) 三価クロメート 6 13 6.2 9.5 6 24.62 200 × - 1営業日 0
6×70 鉄(または標準材) 三価クロメート 6 13 6.2 9.5 6 26.38 200 × - 1営業日 0
6×75 鉄(または標準材) 三価クロメート 6 13 6.2 9.5 6 26.67 200 × - 1営業日 0
6×80 鉄(または標準材) 三価クロメート 6 13 6.2 9.5 6 27.00 200 × - 1営業日 0
6×90 鉄(または標準材) 三価クロメート 6 13 6.2 9.5 6 27.45 200 × - 1営業日 0
5×19 鉄(または標準材) ゼロクロメート 5 10.7 4.9 8 4 7.70 1000 × - 1営業日 0
サイズ 材質 表面処理 D1 D2 H B 最大板厚 - - 箱単価 入数 ばら
売り
ばら
単価
税抜
価格
発送目安 数量
(個)
価格
5×25 鉄(または標準材) ゼロクロメート 5 10.7 4.9 8 4 8.53 1000 × - 1営業日 0
6×19 鉄(または標準材) ゼロクロメート 6 13 6.2 9.5 6 12.68 500 × - 1営業日 0
6×25 鉄(または標準材) ゼロクロメート 6 13 6.2 9.5 6 14.47 500 × - 1営業日 0
4×19 SUS410 生地 4 9 3.3 7 3.2 10.38 1500 × - 1営業日 0
5×13 SUS410 生地 5 10.7 4.9 8 4 10.77 1000 × - 1営業日 0
5×16 SUS410 生地 5 10.7 4.9 8 4 11.54 1000 × - 1営業日 0
5×19 SUS410 生地 5 10.7 4.9 8 4 12.28 1000 × - 1営業日 0
5×25 SUS410 生地 5 10.7 4.9 8 4 15.57 1000 × - 1営業日 0
サイズ 材質 表面処理 D1 D2 H B 最大板厚 - - 箱単価 入数 ばら
売り
ばら
単価
税抜
価格
発送目安 数量
(個)
価格
5×30 SUS410 生地 5 10.7 4.9 8 4 17.12 500 × - 1営業日 0
5×35 SUS410 生地 5 10.7 4.9 8 4 19.73 500 × - 1営業日 0
5×40 SUS410 生地 5 10.7 4.9 8 4 21.92 500 × - 1営業日 0
5×45 SUS410 生地 5 10.7 4.9 8 4 24.09 500 × - 1営業日 0
5×50 SUS410 生地 5 10.7 4.9 8 4 28.91 400 × - 1営業日 0
5×60 SUS410 生地 5 10.7 4.9 8 4 34.69 300 × - 1営業日 0
6×19 SUS410 生地 6 13 6.2 9.5 6 22.22 500 × - 1営業日 0
6×25 SUS410 生地 6 13 6.2 9.5 6 23.20 500 × - 1営業日 0

この商品を購入した方におすすめ

・全国一律送料880円(税込)
※ただし一部寸切商品は1,320円(税込)
・11,000円(税込)以上で送料無料!
※返品について
商品到着後、5日以内に着払いでご返品ください。

・本サイトでの最低取引価格は「税込550円~」となります。
なお、「税込550円未満のご注文」に関しては、
「税込550円」として処理させていただきます。
・お問合せ商品は、後日当社からご連絡します。
・小数点以下切り上げです。
※箱単価=1本当たりの価格です。

▲ページのトップに戻る