2月1日よりナイロン化粧ねじ(ナット)の割引キャンペーンを実施します!                                    ★★ ねじコンシェル.comは全品 税込 価格です ★★                                    リクエスト商品も受付中です。お気軽にご相談ください。                                    取扱い商品、ドンドン拡充中です。                                    

商品名/型番検索

ショッピングカート

0点の商品が入っています。

合計 0円(税込)

取り扱い商品一覧

小ねじ・マイクロねじ

(+)バインド小ねじ

材質 鉄(または標準材)、ステンレス、SUS316L、黄銅(真鍮)
表面処理 生地、ユニクロ、三価クロメート、三価ブラック、ニッケル
サイズ M2~M8
規格 -
JIS B 1111
-
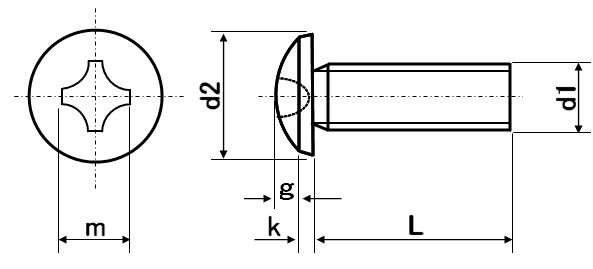
特長 バインド小ねじは頭部が台形上で、上部に丸みがある小ねじです。なべ頭より頭部が低く、トラス頭より頭部径が小さいのが特徴です。見た目がすっきりしているので、装飾用にも用いられます。
バインド小ねじとも呼ばれます。

・全国一律送料880円(税込)
※ただし一部寸切商品は1,320円(税込)
・11,000円(税込)以上で送料無料!
※返品について
お客様都合での返品は承りかねます。
返品に関してはこちらよりご確認ください。

・本サイトでの最低取引価格は「税込550円~」となります。
なお、「税込550円未満のご注文」に関しては、
「税込550円」として処理させていただきます。
・問合せ商品は、後日当社からご連絡します。
・小数点以下切り上げです。
※箱単価=1本当たりの価格です。

サイズ 材質 表面処理 P(ピッチ) d2 k g m 十字穴番号 - 箱単価 入数 ばら
売り
ばら
単価
税抜
価格
発送目安 数量
(個)
価格
M8×30 鉄(または標準材) 三価ブラック 1.25 16.4 3.1 1.7 7.8 3 30.28 170 × - 1営業日 0
M8×35 鉄(または標準材) 三価ブラック 1.25 16.4 3.1 1.7 7.8 3 33.98 160 × - 1営業日 0
M8×40 鉄(または標準材) 三価ブラック 1.25 16.4 3.1 1.7 7.8 3 36.67 140 × - 1営業日 0
M8×50 鉄(または標準材) 三価ブラック 1.25 16.4 3.1 1.7 7.8 3 42.45 110 × - 1営業日 0
M2×2 鉄(または標準材) ニッケル 0.4 4.3 0.85 0.35 2.2 1 2.64 10000 × - 問合せ 0
M2×3 鉄(または標準材) ニッケル 0.4 4.3 0.85 0.35 2.2 1 1.41 10000 × - 1営業日 0
M2×4 鉄(または標準材) ニッケル 0.4 4.3 0.85 0.35 2.2 1 1.30 8000 × - 1営業日 0
M2×5 鉄(または標準材) ニッケル 0.4 4.3 0.85 0.35 2.2 1 1.30 7000 × - 1営業日 0
サイズ 材質 表面処理 P(ピッチ) d2 k g m 十字穴番号 - 箱単価 入数 ばら
売り
ばら
単価
税抜
価格
発送目安 数量
(個)
価格
M2×6 鉄(または標準材) ニッケル 0.4 4.3 0.85 0.35 2.2 1 1.30 6000 × - 1営業日 0
M2×8 鉄(または標準材) ニッケル 0.4 4.3 0.85 0.35 2.2 1 1.35 5000 × - 1営業日 0
M2×10 鉄(または標準材) ニッケル 0.4 4.3 0.85 0.35 2.2 1 1.48 4000 × - 1営業日 0
M2×12 鉄(または標準材) ニッケル 0.4 4.3 0.85 0.35 2.2 1 1.65 3500 × - 問合せ 0
M2×14 鉄(または標準材) ニッケル 0.4 4.3 0.85 0.35 2.2 1 1.93 2500 × - 1営業日 0
M2×15 鉄(または標準材) ニッケル 0.4 4.3 0.85 0.35 2.2 1 1.93 2500 × - 1営業日 0
M2×16 鉄(または標準材) ニッケル 0.4 4.3 0.85 0.35 2.2 1 2.07 2200 × - 1営業日 0
M2×18 鉄(または標準材) ニッケル 0.4 4.3 0.85 0.35 2.2 1 2.46 2000 × - 1営業日 0
サイズ 材質 表面処理 P(ピッチ) d2 k g m 十字穴番号 - 箱単価 入数 ばら
売り
ばら
単価
税抜
価格
発送目安 数量
(個)
価格
M2×20 鉄(または標準材) ニッケル 0.4 4.3 0.85 0.35 2.2 1 2.85 1800 × - 1営業日 0
M2.3×3 鉄(または標準材) ニッケル 0.4 4.9 1 0.4 2.4 1 1.93 6000 × - 問合せ 0
M2.3×4 鉄(または標準材) ニッケル 0.4 4.9 1 0.4 2.4 1 1.70 6000 × - 1営業日 0
M2.3×5 鉄(または標準材) ニッケル 0.4 4.9 1 0.4 2.4 1 1.70 5000 × - 1営業日 0
M2.3×6 鉄(または標準材) ニッケル 0.4 4.9 1 0.4 2.4 1 1.76 5000 × - 1営業日 0
M2.3×8 鉄(または標準材) ニッケル 0.4 4.9 1 0.4 2.4 1 1.84 4000 × - 1営業日 0
M2.3×10 鉄(または標準材) ニッケル 0.4 4.9 1 0.4 2.4 1 2.00 3000 × - 1営業日 0
M2.3×12 鉄(または標準材) ニッケル 0.4 4.9 1 0.4 2.4 1 2.14 2000 × - 1営業日 0

この商品を購入した方におすすめ

・全国一律送料880円(税込)
※ただし一部寸切商品は1,320円(税込)
・11,000円(税込)以上で送料無料!
※返品について
商品到着後、5日以内に着払いでご返品ください。

・本サイトでの最低取引価格は「税込550円~」となります。
なお、「税込550円未満のご注文」に関しては、
「税込550円」として処理させていただきます。
・お問合せ商品は、後日当社からご連絡します。
・小数点以下切り上げです。
※箱単価=1本当たりの価格です。

▲ページのトップに戻る