2月1日よりナイロン化粧ねじ(ナット)の割引キャンペーンを実施します!                                    ★★ ねじコンシェル.comは全品 税込 価格です ★★                                    リクエスト商品も受付中です。お気軽にご相談ください。                                    取扱い商品、ドンドン拡充中です。                                    

商品名/型番検索

ショッピングカート

0点の商品が入っています。

合計 0円(税込)

取り扱い商品一覧

小ねじ・マイクロねじ

(+)バインド小ねじ

材質 鉄(または標準材)、ステンレス、SUS316L、黄銅(真鍮)
表面処理 生地、ユニクロ、三価クロメート、三価ブラック、ニッケル
サイズ M2~M8
規格 -
JIS B 1111
-
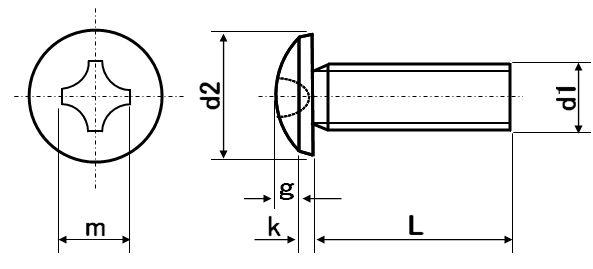
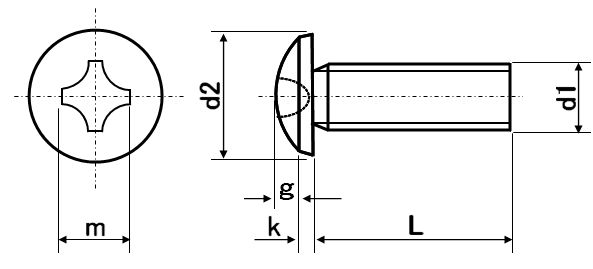
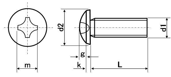
特長 バインド小ねじは頭部が台形上で、上部に丸みがある小ねじです。なべ頭より頭部が低く、トラス頭より頭部径が小さいのが特徴です。見た目がすっきりしているので、装飾用にも用いられます。
バインド小ねじとも呼ばれます。

・全国一律送料880円(税込)
※ただし一部寸切商品は1,320円(税込)
・11,000円(税込)以上で送料無料!
※返品について
お客様都合での返品は承りかねます。
返品に関してはこちらよりご確認ください。

・本サイトでの最低取引価格は「税込550円~」となります。
なお、「税込550円未満のご注文」に関しては、
「税込550円」として処理させていただきます。
・問合せ商品は、後日当社からご連絡します。
・小数点以下切り上げです。
※箱単価=1本当たりの価格です。

サイズ 材質 表面処理 P(ピッチ) d2 k g m 十字穴番号 - 箱単価 入数 ばら
売り
ばら
単価
税抜
価格
発送目安 数量
(個)
価格
M4×45 鉄(または標準材) ユニクロ 0.7 8.3 1.7 0.8 4.3 2 6.33 450 × - 1営業日 0
M4×50 鉄(または標準材) ユニクロ 0.7 8.3 1.7 0.8 4.3 2 7.14 400 × - 1営業日 0
M4×60 鉄(または標準材) ユニクロ 0.7 8.3 1.7 0.8 4.3 2 10.97 300 × - 1営業日 0
M5×5 鉄(または標準材) ユニクロ 0.8 10.3 2.1 1 5 2 3.55 800 × - 1営業日 0
M5×6 鉄(または標準材) ユニクロ 0.8 10.3 2.1 1 5 2 3.30 800 × - 1営業日 0
M5×8 鉄(または標準材) ユニクロ 0.8 10.3 2.1 1 5 2 3.19 800 × - 1営業日 0
M5×10 鉄(または標準材) ユニクロ 0.8 10.3 2.1 1 5 2 3.28 800 × - 1営業日 0
M5×12 鉄(または標準材) ユニクロ 0.8 10.3 2.1 1 5 2 3.41 700 × - 1営業日 0
サイズ 材質 表面処理 P(ピッチ) d2 k g m 十字穴番号 - 箱単価 入数 ばら
売り
ばら
単価
税抜
価格
発送目安 数量
(個)
価格
M5×14 鉄(または標準材) ユニクロ 0.8 10.3 2.1 1 5 2 4.01 600 × - 1営業日 0
M5×15 鉄(または標準材) ユニクロ 0.8 10.3 2.1 1 5 2 4.01 600 × - 1営業日 0
M5×16 鉄(または標準材) ユニクロ 0.8 10.3 2.1 1 5 2 4.23 500 × - 1営業日 0
M5×18 鉄(または標準材) ユニクロ 0.8 10.3 2.1 1 5 2 4.59 500 × - 1営業日 0
M5×20 鉄(または標準材) ユニクロ 0.8 10.3 2.1 1 5 2 4.59 450 × - 1営業日 0
M5×25 鉄(または標準材) ユニクロ 0.8 10.3 2.1 1 5 2 4.99 500 × - 1営業日 0
M5×30 鉄(または標準材) ユニクロ 0.8 10.3 2.1 1 5 2 6.07 500 × - 1営業日 0
M5×35 鉄(または標準材) ユニクロ 0.8 10.3 2.1 1 5 2 7.23 400 × - 1営業日 0
サイズ 材質 表面処理 P(ピッチ) d2 k g m 十字穴番号 - 箱単価 入数 ばら
売り
ばら
単価
税抜
価格
発送目安 数量
(個)
価格
M5×40 鉄(または標準材) ユニクロ 0.8 10.3 2.1 1 5 2 8.06 350 × - 1営業日 0
M5×45 鉄(または標準材) ユニクロ 0.8 10.3 2.1 1 5 2 9.01 300 × - 1営業日 0
M5×50 鉄(または標準材) ユニクロ 0.8 10.3 2.1 1 5 2 9.78 250 × - 問合せ 0
M5×55 鉄(または標準材) ユニクロ 0.8 10.3 2.1 1 5 2 13.50 230 × - 1営業日 0
M5×60 鉄(または標準材) ユニクロ 0.8 10.3 2.1 1 5 2 14.73 200 × - 1営業日 0
M5×65 鉄(または標準材) ユニクロ 0.8 10.3 2.1 1 5 2 16.34 180 × - 問合せ 0
M5×70 鉄(または標準材) ユニクロ 0.8 10.3 2.1 1 5 2 17.84 180 × - 1営業日 0
M6×7 鉄(または標準材) ユニクロ 1.0 12.4 2.4 1.3 6.3 3 5.60 500 × - 1営業日 0

この商品を購入した方におすすめ

・全国一律送料880円(税込)
※ただし一部寸切商品は1,320円(税込)
・11,000円(税込)以上で送料無料!
※返品について
商品到着後、5日以内に着払いでご返品ください。

・本サイトでの最低取引価格は「税込550円~」となります。
なお、「税込550円未満のご注文」に関しては、
「税込550円」として処理させていただきます。
・お問合せ商品は、後日当社からご連絡します。
・小数点以下切り上げです。
※箱単価=1本当たりの価格です。

▲ページのトップに戻る