2月1日よりナイロン化粧ねじ(ナット)の割引キャンペーンを実施します!                                    ★★ ねじコンシェル.comは全品 税込 価格です ★★                                    リクエスト商品も受付中です。お気軽にご相談ください。                                    取扱い商品、ドンドン拡充中です。                                    

商品名/型番検索

ショッピングカート

0点の商品が入っています。

合計 0円(税込)

取り扱い商品一覧

小ねじ・マイクロねじ

(+)バインド小ねじ

材質 鉄(または標準材)、ステンレス、SUS316L、黄銅(真鍮)
表面処理 生地、ユニクロ、三価クロメート、三価ブラック、ニッケル
サイズ M2~M8
規格 -
JIS B 1111
-
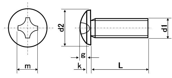
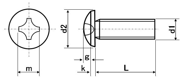
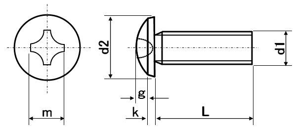
特長 バインド小ねじは頭部が台形上で、上部に丸みがある小ねじです。なべ頭より頭部が低く、トラス頭より頭部径が小さいのが特徴です。見た目がすっきりしているので、装飾用にも用いられます。
バインド小ねじとも呼ばれます。

・全国一律送料880円(税込)
※ただし一部寸切商品は1,320円(税込)
・11,000円(税込)以上で送料無料!
※返品について
お客様都合での返品は承りかねます。
返品に関してはこちらよりご確認ください。

・本サイトでの最低取引価格は「税込550円~」となります。
なお、「税込550円未満のご注文」に関しては、
「税込550円」として処理させていただきます。
・問合せ商品は、後日当社からご連絡します。
・小数点以下切り上げです。
※箱単価=1本当たりの価格です。

サイズ 材質 表面処理 P(ピッチ) d2 k g m 十字穴番号 - 箱単価 入数 ばら
売り
ばら
単価
税抜
価格
発送目安 数量
(個)
価格
M6×8 鉄(または標準材) ユニクロ 1.0 12.4 2.4 1.3 6.3 3 4.60 500 × - 1営業日 0
M6×10 鉄(または標準材) ユニクロ 1.0 12.4 2.4 1.3 6.3 3 4.89 450 × - 1営業日 0
M6×12 鉄(または標準材) ユニクロ 1.0 12.4 2.4 1.3 6.3 3 5.39 400 × - 1営業日 0
M6×14 鉄(または標準材) ユニクロ 1.0 12.4 2.4 1.3 6.3 3 5.67 400 × - 1営業日 0
M6×15 鉄(または標準材) ユニクロ 1.0 12.4 2.4 1.3 6.3 3 5.93 350 × - 1営業日 0
M6×16 鉄(または標準材) ユニクロ 1.0 12.4 2.4 1.3 6.3 3 6.16 350 × - 1営業日 0
M6×18 鉄(または標準材) ユニクロ 1.0 12.4 2.4 1.3 6.3 3 6.91 300 × - 1営業日 0
M6×20 鉄(または標準材) ユニクロ 1.0 12.4 2.4 1.3 6.3 3 6.91 300 × - 1営業日 0
サイズ 材質 表面処理 P(ピッチ) d2 k g m 十字穴番号 - 箱単価 入数 ばら
売り
ばら
単価
税抜
価格
発送目安 数量
(個)
価格
M6×25 鉄(または標準材) ユニクロ 1.0 12.4 2.4 1.3 6.3 3 7.85 400 × - 1営業日 0
M6×30 鉄(または標準材) ユニクロ 1.0 12.4 2.4 1.3 6.3 3 8.96 300 × - 1営業日 0
M6×35 鉄(または標準材) ユニクロ 1.0 12.4 2.4 1.3 6.3 3 10.12 300 × - 1営業日 0
M6×40 鉄(または標準材) ユニクロ 1.0 12.4 2.4 1.3 6.3 3 11.25 250 × - 問合せ 0
M6×45 鉄(または標準材) ユニクロ 1.0 12.4 2.4 1.3 6.3 3 12.68 200 × - 1営業日 0
M6×50 鉄(または標準材) ユニクロ 1.0 12.4 2.4 1.3 6.3 3 13.48 180 × - 1営業日 0
M6×55 鉄(または標準材) ユニクロ 1.0 12.4 2.4 1.3 6.3 3 16.88 150 × - 1営業日 0
M8×10 鉄(または標準材) ユニクロ 1.25 16.4 3.1 1.7 7.8 3 12.72 250 × - 1営業日 0
サイズ 材質 表面処理 P(ピッチ) d2 k g m 十字穴番号 - 箱単価 入数 ばら
売り
ばら
単価
税抜
価格
発送目安 数量
(個)
価格
M8×12 鉄(または標準材) ユニクロ 1.25 16.4 3.1 1.7 7.8 3 12.83 200 × - 1営業日 0
M8×15 鉄(または標準材) ユニクロ 1.25 16.4 3.1 1.7 7.8 3 13.35 150 × - 1営業日 0
M8×16 鉄(または標準材) ユニクロ 1.25 16.4 3.1 1.7 7.8 3 14.15 150 × - 問合せ 0
M8×18 鉄(または標準材) ユニクロ 1.25 16.4 3.1 1.7 7.8 3 15.24 150 × - 1営業日 0
M8×20 鉄(または標準材) ユニクロ 1.25 16.4 3.1 1.7 7.8 3 15.24 150 × - 1営業日 0
M8×25 鉄(または標準材) ユニクロ 1.25 16.4 3.1 1.7 7.8 3 17.33 180 × - 1営業日 0
M8×30 鉄(または標準材) ユニクロ 1.25 16.4 3.1 1.7 7.8 3 19.64 170 × - 1営業日 0
M8×35 鉄(または標準材) ユニクロ 1.25 16.4 3.1 1.7 7.8 3 21.97 160 × - 1営業日 0

この商品を購入した方におすすめ

・全国一律送料880円(税込)
※ただし一部寸切商品は1,320円(税込)
・11,000円(税込)以上で送料無料!
※返品について
商品到着後、5日以内に着払いでご返品ください。

・本サイトでの最低取引価格は「税込550円~」となります。
なお、「税込550円未満のご注文」に関しては、
「税込550円」として処理させていただきます。
・お問合せ商品は、後日当社からご連絡します。
・小数点以下切り上げです。
※箱単価=1本当たりの価格です。

▲ページのトップに戻る